LEMON Manuals: Even more car manuals for everyone
Home >> Lexus >> 2017 >> LX 570 >> Repair and Diagnosis (Single Page) >> Engine Performance >> System >> Engine Control System - Diagnostic Codes (4 Of 7) >> SFI System >> DTC P0705: Transmission Range Sensor Circuit (PRNDL Input) [09/2015 - 08/2017] >> Wiring Diagram

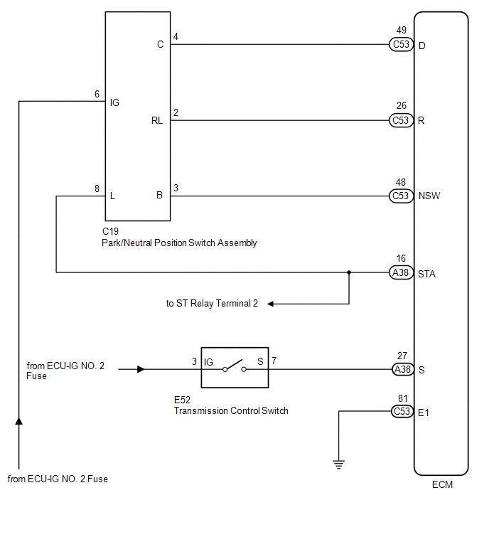
DTC P0705: Transmission Range Sensor Circuit (PRNDL Input) [09/2015 - 08/2017]: Wiring Diagram

GTY632374Courtesy of © TOYOTA, LICENSE AGREEMENT TMS1002