LEMON Manuals: Even more car manuals for everyone
Home >> Lexus >> 2017 >> LS 460 Base, AWD >> Repair and Diagnosis >> Engine Performance >> System >> Engine Control System - Diagnostic Codes (P1340-P11ED) & Circuit Tests >> Circuit Tests >> VC Output Circuit [09/2015 - ] >> Wiring Diagram

VC Output Circuit [09/2015 - ]: Wiring Diagram

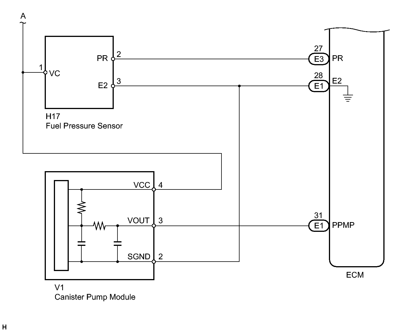
Fig 1: VC Output Circuit - Wiring Diagram (1 Of 3)
GTY630047Courtesy of © TOYOTA, LICENSE AGREEMENT TMS1002
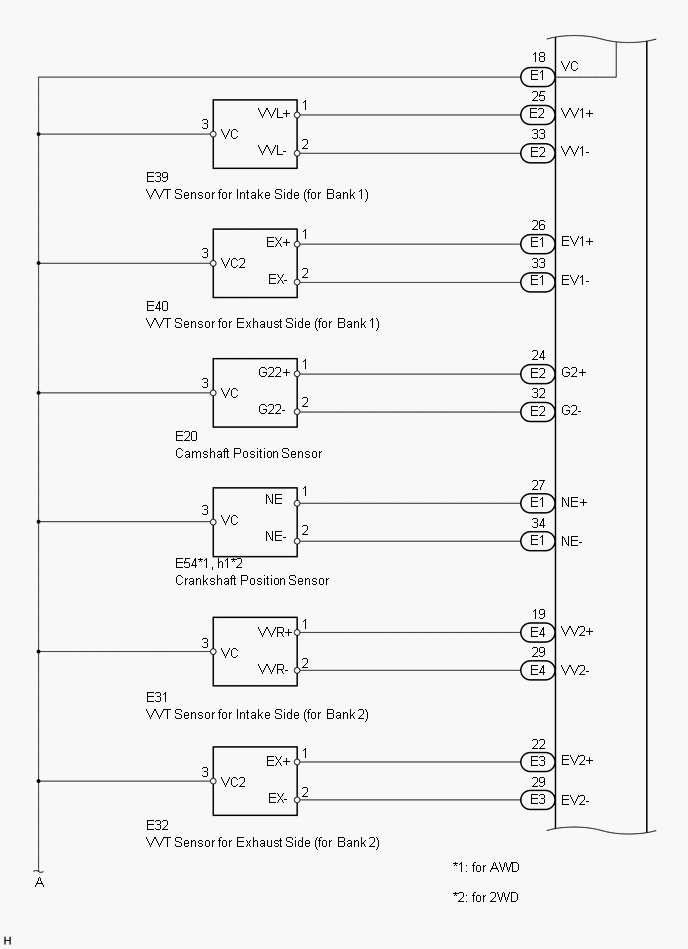
Fig 2: VC Output Circuit - Wiring Diagram (2 Of 3)
GTY405057Courtesy of © TOYOTA, LICENSE AGREEMENT TMS1002
Fig 3: VC Output Circuit - Wiring Diagram (3 Of 3)
GTY280405Courtesy of © TOYOTA, LICENSE AGREEMENT TMS1002