LEMON Manuals: Even more car manuals for everyone
Home >> Lexus >> 2017 >> LS 460 Base, AWD >> Repair and Diagnosis (Single Page) >> Engine Performance >> System >> Engine Control System - Diagnostic Codes (P1340-P11ED) & Circuit Tests >> Circuit Tests >> ECM Power Source Circuit [09/2015 - ] >> Procedure

ECM Power Source Circuit [09/2015 - ]: Procedure

  1. INSPECT ECM (+B, +B2 VOLTAGE) 
    1. Turn the engine switch on (IG).
      GTY678997Courtesy of © TOYOTA, LICENSE AGREEMENT TMS1002
    2. Measure the voltage according to the value(s) in the table below.

      Standard voltage

      Tester Connection Switch Condition Specified Condition
      A13-2 (+B) - E3-1 (E1) Engine switch on (IG) 11 to 14 V
      A13-1 (+B2) - E3-1 (E1) Engine switch on (IG) 11 to 14 V

    Result:  OK

    OK 

    PROCEED TO NEXT CIRCUIT INSPECTION SHOWN IN PROBLEM SYMPTOMS TABLE 

    (Refer to PROBLEM SYMPTOMS TABLE [09/2015 - ] )

    Result:  NG

    NG 

    See step  2

  2. CHECK HARNESS AND CONNECTOR (ECM - BODY GROUND) 
    1. Disconnect the E3 ECM connector.
      GTY627385Courtesy of © TOYOTA, LICENSE AGREEMENT TMS1002
    2. Measure the resistance according to the value(s) in the table below.

      Standard resistance (Check for open)

      Tester Connection Condition Specified Condition
      E3-1 (E1) - Body ground Always Below 1 Ω

    Result:  NG

    NG 

    REPAIR OR REPLACE HARNESS OR CONNECTOR 

    Result:  OK

    OK 

    See step  3

  3. INSPECT ECM (IGSW VOLTAGE) 
    1. Turn the engine switch on (IG).
      GTY666859Courtesy of © TOYOTA, LICENSE AGREEMENT TMS1002
    2. Measure the voltage according to the value(s) in the table below.

      Standard voltage

      Tester Connection Switch Condition Specified Condition
      A14-8 (IGSW) - E3-1 (E1) Engine switch on (IG) 11 to 14 V

    Result:  OK

    OK 

    See step  6

    Result:  NG

    NG 

    See step  4

  4. CHECK FUSE (ECU-IG) 
    1. Remove the ECU-IG fuse from the engine room No. 2 junction block.
      GTY144129Courtesy of © TOYOTA, LICENSE AGREEMENT TMS1002
    2. Measure the resistance according to the value(s) in the table below.

      Standard resistance

      Tester Connection Condition Specified Condition
      ECU-IG Always Below 1 Ω

    Result:  NG

    NG 

    CHECK FOR SHORT IN ALL HARNESSES AND CONNECTORS CONNECTED TO FUSE AND REPLACE FUSE 

    Result:  OK

    OK 

    See step  5

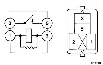
  5. INSPECT IGNITION RELAY NO. 2 (IG2) 
    1. Remove the IG2 relay from the engine room No. 2 junction block.
      GTY143625Courtesy of © TOYOTA, LICENSE AGREEMENT TMS1002
    2. Measure the resistance according to the value(s) in the table below.

      Standard resistance

      Tester Connection Condition Specified Condition
      3 - 5 When no battery voltage applied to terminals 1 and 2 10 kΩ or higher
      3 - 5 When battery voltage applied to terminals 1 and 2 Below 1 Ω

    Result:  OK

    OK 

    GO TO SMART ACCESS SYSTEM WITH PUSH-BUTTON START 

    (Refer to Power Source Mode does not Change [09/2015 - ] )

    Result:  NG

    NG 

    REPLACE IGNITION RELAY NO. 2 (IG2) 

  6. INSPECT ECM (MREL VOLTAGE) 
    1. Turn the engine switch on (IG).
      GTY660085Courtesy of © TOYOTA, LICENSE AGREEMENT TMS1002
    2. Measure the voltage according to the value(s) in the table below.

      Standard voltage

      Tester Connection Switch Condition Specified Condition
      A14-3 (MREL) - E3-1 (E1) Engine switch on (IG) 11 to 14 V

    Result:  NG

    NG 

    REPLACE ECM 

    (Refer to REMOVAL [09/2015 - ] )

    Result:  OK

    OK 

    See step  7

  7. CHECK FUSE (EFI MAIN2) 
    1. Remove the EFI MAIN2 fuse from the engine room No. 2 relay block.
      GTY637449Courtesy of © TOYOTA, LICENSE AGREEMENT TMS1002
    2. Measure the resistance according to the value(s) in the table below.

      Standard resistance

      Tester Connection Condition Specified Condition
      EFI MAIN2 Always Below 1 Ω

    Result:  NG

    NG 

    CHECK FOR SHORT IN ALL HARNESSES AND CONNECTORS CONNECTED TO FUSE AND REPLACE FUSE 

    Result:  OK

    OK 

    See step  8

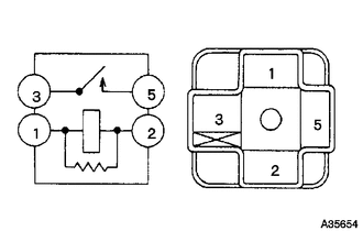
  8. INSPECT EFI RELAY (EFI MAIN2) 
    1. Remove the EFI MAIN2 relay from the engine room No. 2 relay block.
      GTY141650Courtesy of © TOYOTA, LICENSE AGREEMENT TMS1002
    2. Measure the resistance according to the value(s) in the table below.

      Standard resistance

      Tester Connection Condition Specified Condition
      3 - 5 When no battery voltage applied to terminals 1 and 2 10 kΩ or higher
      When battery voltage applied to terminals 1 and 2 Below 1 Ω

    Result:  NG

    NG 

    REPLACE EFI RELAY (EFI MAIN2) 

    Result:  OK

    OK 

    See step  9

  9. CHECK HARNESS AND CONNECTOR (EFI RELAY (EFI MAIN2) - ECM, BODY GROUND) 
    GTY631497Courtesy of © TOYOTA, LICENSE AGREEMENT TMS1002
    1. Check the harness and the connectors between the integration relay and the ECM.
      1. Remove the EFI MAIN2 relay from the engine room No. 2 relay block.
      2. Disconnect the A14 ECM connector.
      3. Measure the resistance according to the value(s) in the table below.

        Standard resistance (Check for open)

        Tester Connection Condition Specified Condition
        EFI MAIN2 relay (1) - A14-3 (MREL) Always Below 1 Ω

        Standard resistance (Check for short)

        Tester Connection Condition Specified Condition
        EFI MAIN2 relay (1) or A14-3 (MREL) - Body ground Always 10 kΩ or higher
    2. Check the harness and the connectors between the EFI MAIN2 relay and body ground.
      1. Remove the EFI MAIN2 relay from the engine room No. 2 relay block.
      2. Measure the resistance according to the value(s) in the table below.

        Standard resistance (Check for open)

        Tester Connection Condition Specified Condition
        EFI MAIN2 relay (2) - Body ground Always Below 1 Ω

    Result:  OK

    OK 

    CHECK AND REPAIR HARNESS OR CONNECTOR (TERMINAL +B OF ECM - BATTERY POSITIVE TERMINAL) 

    Result:  NG

    NG 

    REPAIR OR REPLACE HARNESS OR CONNECTOR