LEMON Manuals: Even more car manuals for everyone
Home >> Lexus >> 2017 >> LS 460 Base, AWD >> Repair and Diagnosis (Single Page) >> Accessories & Equipment >> Anti-Theft Systems >> Smart Access System (Keyless Start) - Diagnostic Codes & Symptom Tests >> Smart Access System With Push-Button Start >> Power Source Mode does not Change [09/2015 - ] >> Wiring Diagram

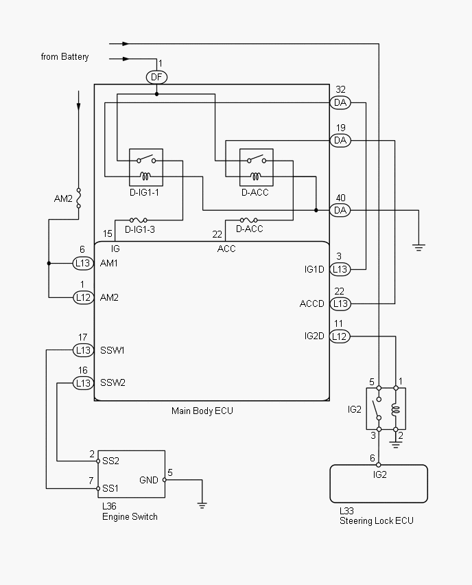
Power Source Mode does not Change [09/2015 - ]: Wiring Diagram

Fig 1: Power Source Circuit Diagram
GTY636356Courtesy of © TOYOTA, LICENSE AGREEMENT TMS1002