LEMON Manuals: Even more car manuals for everyone
Home >> Lexus >> 2017 >> LS 460 Base, AWD >> Repair and Diagnosis (Single Page) >> Accessories & Equipment >> Anti-Theft Systems >> Smart Access System (Keyless Start) - Diagnostic Codes & Symptom Tests >> Smart Access System With Push-Button Start >> Power Source Mode does not Change [09/2015 - ] >> Description

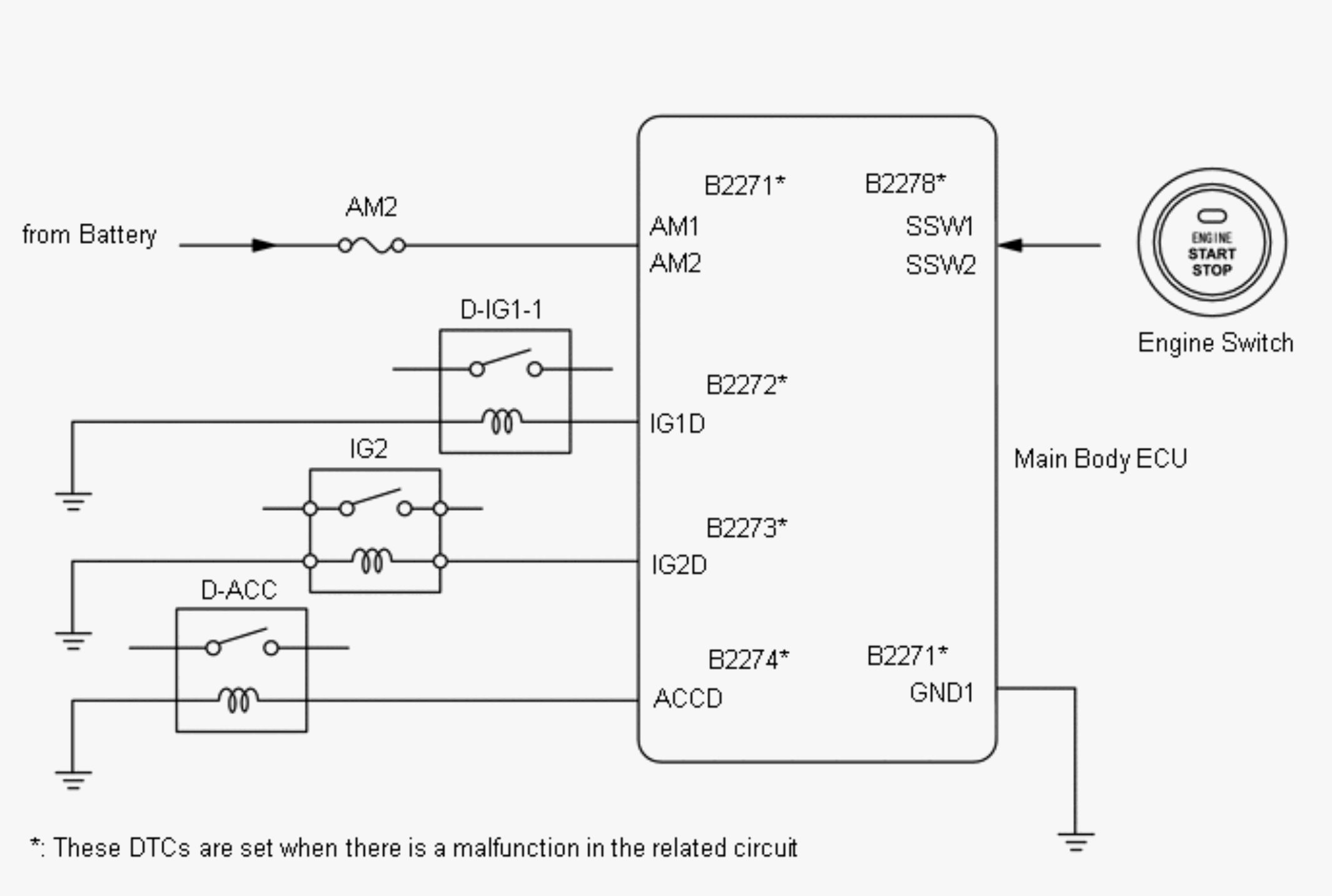
Power Source Mode does not Change [09/2015 - ]: Description

When the certification ECU has detected the key inside the cabin before the brake pedal is depressed, the power source mode can be changed in the following order sequentially by pressing the engine switch: off → on (ACC) → on (IG) → off.

When one of the DTCs shown in the illustration below is detected, troubleshoot the DTC(s) by following the troubleshooting procedure relevant to the DTC(s). If the power source mode still cannot be changed normally, despite troubleshooting, one of the following may have occurred:

Fig 1: Power Source Mode Circuit Diagram
GTY680035Courtesy of © TOYOTA, LICENSE AGREEMENT TMS1002