LEMON Manuals: Even more car manuals for everyone
Home >> Lexus >> 2017 >> LS 460 Base, AWD >> Repair and Diagnosis (Single Page) >> Accessories & Equipment >> Anti-Theft Systems >> Smart Access System (Keyless Start) - Diagnostic Codes & Symptom Tests >> Smart Access System With Push-Button Start >> Engine does not Start [09/2015 - ] >> Description

Engine does not Start [09/2015 - ]: Description

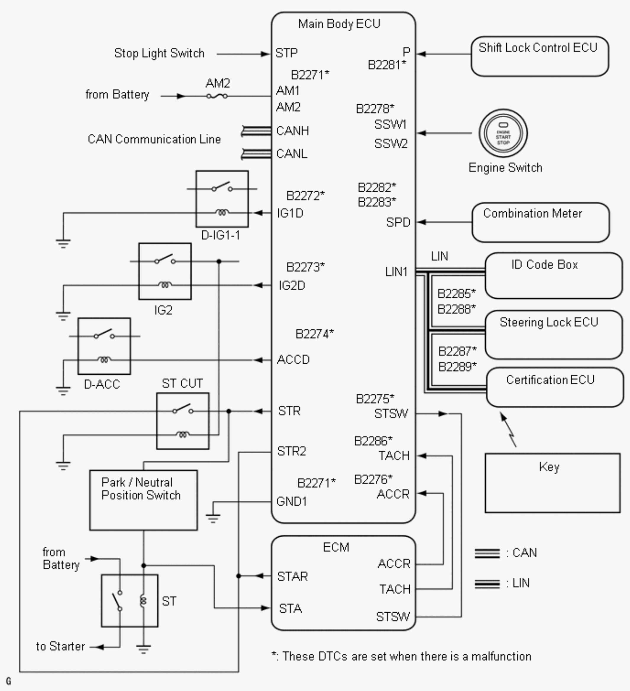
  1. ENGINE START SYSTEM OPERATION 
    1. When the engine switch is pressed with the brake pedal depressed and shift lever in P or N, the main body ECU determines that it is an engine start request.
    2. The certification ECU and other ECUs perform key verification via the LIN communication line. The engine switch indicator light illuminates in green.
    3. The main body ECU activates the D-ACC, D-IG1-1 and IG2 relays.
    4. The certification ECU outputs a steering UNLOCK signal. The signal is sent to the steering lock ECU via the LIN communication line.
    5. The main body ECU sends an engine start request signal to the ECM.
    6. The ECM sends an ACC cut request signal to the main body ECU.
    7. The ECM and main body ECU activate the ST cut relay.
    8. The main body ECU deactivates the D-ACC relay until the ECU detects an engine start.
    9. The ECU reactivates the D-ACC relay and turns off the engine switch indicator light.
      Symbols of main body ECU Signals
      SSW1/SSW2 Engine switch on (ACC, IG) signal
      ACCD D-ACC relay operation signal
      IG2D IG2 relay operation signal
      STR2 ST CUT relay operation signal
      STR Park / neutral position switch signal
      STP Stop light switch signal
      TACH Engine start detection signal
      STSW Starter activation request signal
      ACCR ACC cut request signal
    GTY673451Courtesy of © TOYOTA, LICENSE AGREEMENT TMS1002