LEMON Manuals: Even more car manuals for everyone
Home >> Lexus >> 2017 >> IS 350 Base, AWD >> Repair and Diagnosis (Single Page) >> Restraints >> Restraints Control Systems >> Pre-Collision System - Diagnostic Codes (1 Of 2) >> Pre-Collision System >> DTC C1A4B: Stop Light Relay Circuit [10/2016 - 10/2017] >> Wiring Diagram

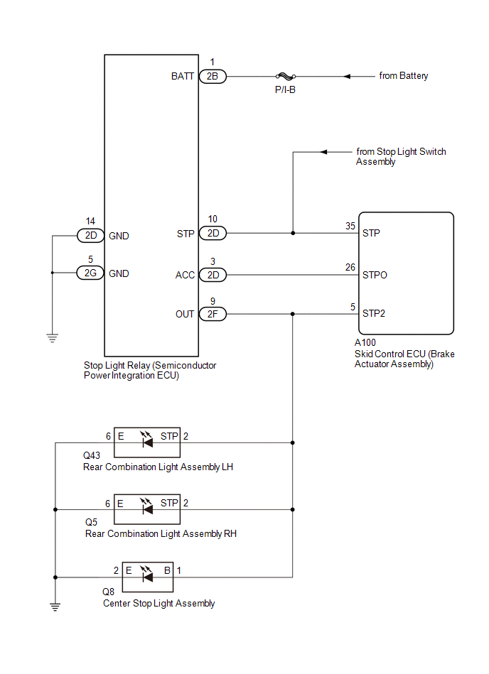
DTC C1A4B: Stop Light Relay Circuit [10/2016 - 10/2017]: Wiring Diagram

GTY629445Courtesy of © TOYOTA, LICENSE AGREEMENT TMS1002