LEMON Manuals: Even more car manuals for everyone
Home >> Lexus >> 2017 >> IS 350 Base, AWD >> Repair and Diagnosis (Single Page) >> Restraints >> Air Bag, SRS >> Occupant Classification System - Diagnostics - Introduction >> Occupant Classification System >> System Diagram [04/2013 - ] >> System Diagram [04/2013 - ]

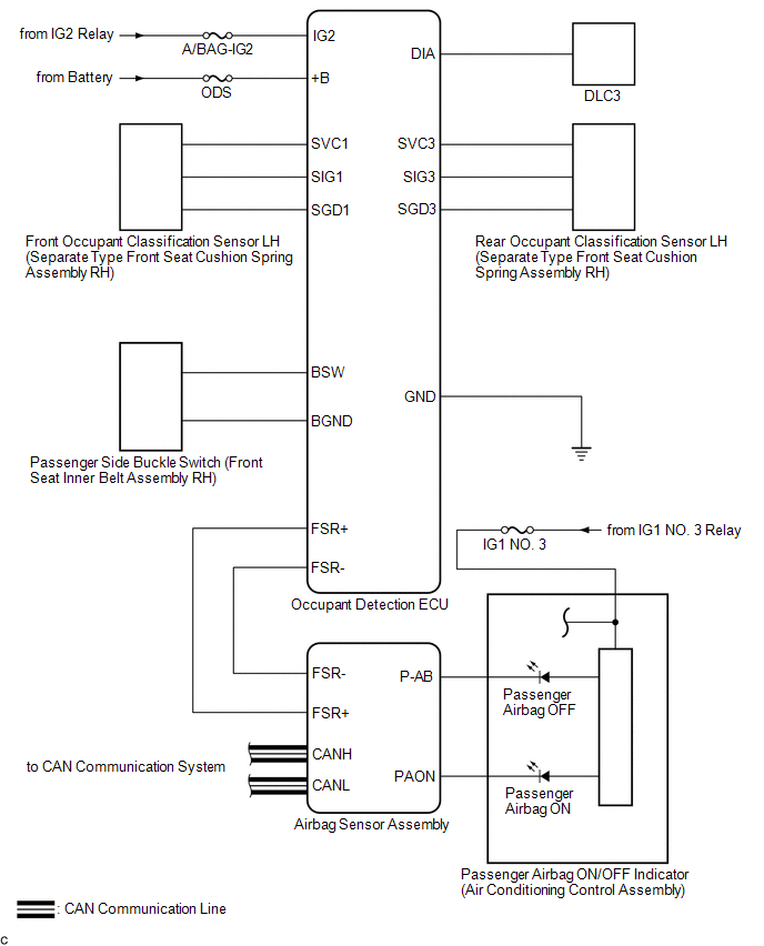
System Diagram [04/2013 - ]

GTY383901Courtesy of © TOYOTA, LICENSE AGREEMENT TMS1002