LEMON Manuals: Even more car manuals for everyone
Home >> Lexus >> 2017 >> IS 350 Base, AWD >> Repair and Diagnosis (Single Page) >> Restraints >> Air Bag, SRS >> Occupant Classification System - Diagnostic Codes & Symptom Tests >> Occupant Classification System >> DTC B1790: Center Airbag Sensor Assembly Communication Circuit Malfunction [04/2013 - 09/2020] >> Wiring Diagram

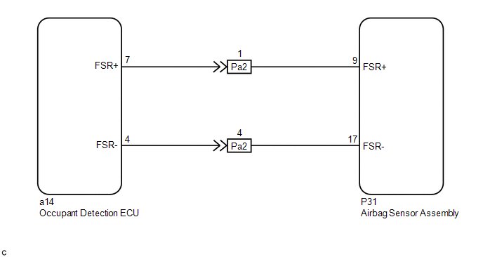
DTC B1790: Center Airbag Sensor Assembly Communication Circuit Malfunction [04/2013 - 09/2020]: Wiring Diagram

GTY460256Courtesy of © TOYOTA, LICENSE AGREEMENT TMS1002