LEMON Manuals: Even more car manuals for everyone
Home >> Lexus >> 2017 >> IS 350 Base, AWD >> Repair and Diagnosis (Single Page) >> Engine Performance >> System >> Engine Control System (2GR-FSE) - Diagnostic Codes (6 Of 6) & Circuit Tests >> SFI System >> VC Output Circuit [04/2013 - 10/2017] >> Wiring Diagram

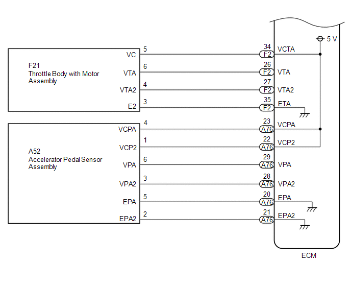
VC Output Circuit [04/2013 - 10/2017]: Wiring Diagram

GTY466128Courtesy of © TOYOTA, LICENSE AGREEMENT TMS1002
GTY456449Courtesy of © TOYOTA, LICENSE AGREEMENT TMS1002