LEMON Manuals: Even more car manuals for everyone
Home >> Lexus >> 2017 >> IS 350 Base, AWD >> Repair and Diagnosis (Single Page) >> Engine Performance >> System >> Engine Control System (2GR-FSE) - Diagnostic Codes (5 Of 6) >> SFI System >> DTC P0705: Transmission Range Sensor Circuit Malfunction (PRNDL Input) [04/2013 - 10/2017] >> Wiring Diagram

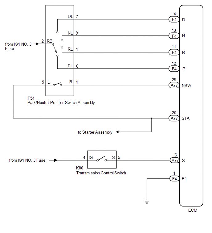
DTC P0705: Transmission Range Sensor Circuit Malfunction (PRNDL Input) [04/2013 - 10/2017]: Wiring Diagram

GTY467180Courtesy of © TOYOTA, LICENSE AGREEMENT TMS1002