LEMON Manuals: Even more car manuals for everyone
Home >> Lexus >> 2017 >> IS 350 Base, AWD >> Repair and Diagnosis (Single Page) >> Brakes >> Traction Control >> Vehicle Stability Control System - Diagnostic Codes (5 Of 5) & Symptom Tests (1 Of 2) >> Vehicle Stability Control System >> DTC U0073: Control Module Communication Bus OFF; DTC U0100: Lost Communication with ECM / PCM; DTC U0123: Lost Communication with Yaw Rate Sensor Module; DTC U0124: Lost Communication with Lateral Acceleration Sensor Module; DTC U0126: Lost Communication with Steering Angle Sensor Module; DTC U0130: Lost Communication with VGRS [08/2015 - 10/2016] >> Wiring Diagram

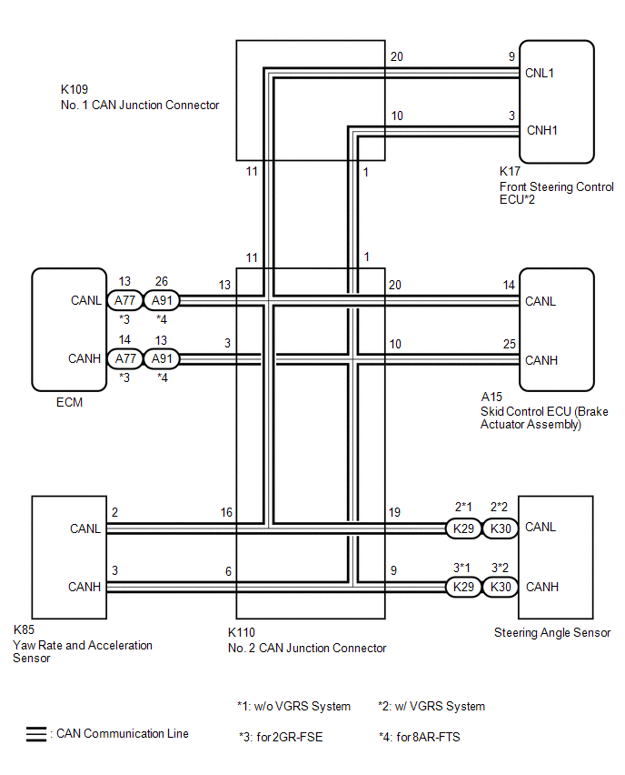
DTC U0073: Control Module Communication Bus OFF; DTC U0100: Lost Communication with ECM / PCM; DTC U0123: Lost Communication with Yaw Rate Sensor Module; DTC U0124: Lost Communication with Lateral Acceleration Sensor Module; DTC U0126: Lost Communication with Steering Angle Sensor Module; DTC U0130: Lost Communication with VGRS [08/2015 - 10/2016]: Wiring Diagram

GTY638386Courtesy of © TOYOTA, LICENSE AGREEMENT TMS1002