LEMON Manuals: Even more car manuals for everyone
Home >> Lexus >> 2017 >> IS 350 Base, AWD >> Repair and Diagnosis (Single Page) >> Brakes >> Traction Control >> Vehicle Stability Control System - Diagnostic Codes (3 Of 5) >> Vehicle Stability Control System >> DTC C1413: Front Speed Sensor RH Circuit Output; DTC C1414: Front Speed Sensor LH Circuit Output [10/2016 - 10/2017] >> Wiring Diagram

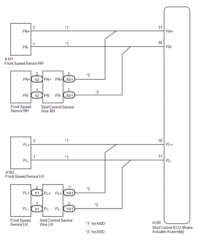
DTC C1413: Front Speed Sensor RH Circuit Output; DTC C1414: Front Speed Sensor LH Circuit Output [10/2016 - 10/2017]: Wiring Diagram

GTY672896Courtesy of © TOYOTA, LICENSE AGREEMENT TMS1002