LEMON Manuals: Even more car manuals for everyone
Home >> Lexus >> 2017 >> IS 350 Base, AWD >> Repair and Diagnosis (Single Page) >> Body & Frame >> Windows >> Power Window Control System - Diagnostic Codes & Symptom Tests >> Power Window Control System >> Driver Side Power Window does not Operate with Power Window Master Switch [04/2013 - ] >> Wiring Diagram

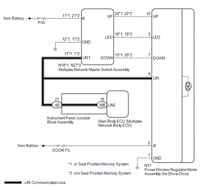
Driver Side Power Window does not Operate with Power Window Master Switch [04/2013 - ]: Wiring Diagram

GTY458389Courtesy of © TOYOTA, LICENSE AGREEMENT TMS1002