LEMON Manuals: Even more car manuals for everyone
Home >> Lexus >> 2017 >> IS 350 Base, AWD >> Repair and Diagnosis (Single Page) >> Body & Frame >> Door Locks >> Smart Access System (For Start) - Diagnostics - Introduction >> SMART ACCESS SYSTEM WITH PUSH-BUTTON START (for Start Function) >> System Diagram [04/2013 - 06/2014] >> System Diagram [04/2013 - 06/2014]

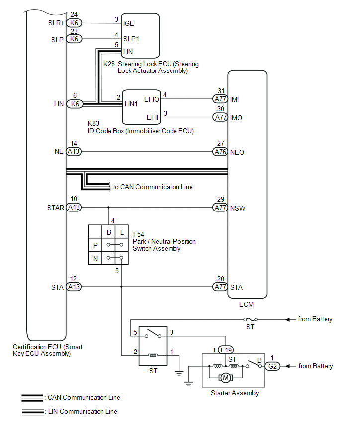
System Diagram [04/2013 - 06/2014]

Fig 1: Smart Access System With Push-Button Start (For Start Function) Diagram (1 Of 2)
GTY462846Courtesy of © TOYOTA, LICENSE AGREEMENT TMS1002
Fig 2: Smart Access System With Push-Button Start (For Start Function) Diagram (2 Of 2)
GTY460018Courtesy of © TOYOTA, LICENSE AGREEMENT TMS1002
Component Outline
Engine switch
  • Transponder key amplifier
  • Turns on the power and starts the engine.
  • Contains a built-in transponder key amplifier to start the engine when the electrical key transmitter sub-assembly does not operate properly due to a depleted battery or wave interference.
Certification ECU (smart key ECU assembly)
  • Changes the power source mode by operating the ACC and IG relays.
  • Controls starting by operating the starter relay.
  • Performs key verification.
  • Controls the electrical key antenna (outside), electrical key antenna (indoor) and door lock/unlock sensor.
  • Outputs entry door lock/unlock commands.
  • Outputs steering lock ECU (steering lock actuator assembly) lock/unlock command signals.
  • Outputs immobiliser set/unset commands.
  • Forms the smart access system with push-button start detection area.
ID code box (immobiliser code ECU)
  • Receives command signals from the certification ECU (smart key ECU assembly) and outputs immobiliser set and unset command signals to ECM.
  • Records codes for smart verification.
ECM Outputs a signal indicating that the engine has started to the certification ECU (smart key ECU assembly) when starting the engine.
Steering lock ECU (steering lock actuator assembly)
  • Receives command signals from the certification ECU (smart key ECU assembly) and activates the steering lock ECU (steering lock actuator assembly).
  • Records codes for smart verification.
Combination meter assembly
  • Displays various warnings (messages on the multi-information display) according to the command signals from the certification ECU (smart key ECU assembly).
  • Outputs a vehicle speed signal to the ECUs.
IG, ACC relay Turns on/off according to the certification ECU (smart key ECU assembly) and provides power to each system.
Stop light switch assembly Detects that the brake pedal has been depressed (switch is on) and outputs a signal to the certification ECU (smart key ECU assembly).
  • No. 2 indoor electrical key antenna assembly (front floor)
  • Indoor electrical key antenna (rear floor)
Sends the request code from the certification ECU (smart key ECU assembly) and forms the vehicle interior detection area.
Door control receiver Receives the smart access system with push-button start code/wireless code sent from the electrical key transmitter sub-assembly and sends it to the certification ECU (smart key ECU assembly).
Electrical key transmitter sub-assembly Sends the ID code upon receiving a request signal.