LEMON Manuals: Even more car manuals for everyone
Home >> Lexus >> 2017 >> IS 350 Base, AWD >> Repair and Diagnosis (Single Page) >> Accessories & Equipment >> Drivers Assistance Systems - ADAS >> Lane Departure Alert System (W/ Steering Control) - Diagnostics - Introduction >> LANE DEPARTURE ALERT SYSTEM (w/ Steering Control) >> System Diagram [10/2016 - 09/2020] >> System Diagram [10/2016 - 09/2020]

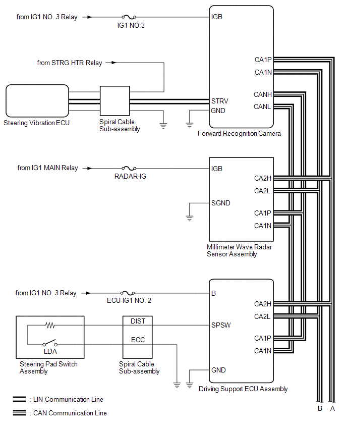
System Diagram [10/2016 - 09/2020]

GTY787572Courtesy of © TOYOTA, LICENSE AGREEMENT TMS1002
GTY681157Courtesy of © TOYOTA, LICENSE AGREEMENT TMS1002
GTY616314Courtesy of © TOYOTA, LICENSE AGREEMENT TMS1002