LEMON Manuals: Even more car manuals for everyone
Home >> Lexus >> 2017 >> IS 350 Base, AWD >> Repair and Diagnosis (Single Page) >> Accessories & Equipment >> Anti-Theft Systems >> Power Door Lock Control System - Diagnostics - Introduction >> Power Door Lock Control System >> System Diagram [06/2014 - 09/2020] >> System Diagram [06/2014 - 09/2020]

System Diagram [06/2014 - 09/2020]

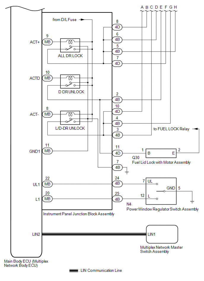
  1. Power Door Lock Control System 
    Fig 1: Power Door Lock Control System Diagram (1 Of 3)
    GTY456648Courtesy of © TOYOTA, LICENSE AGREEMENT TMS1002
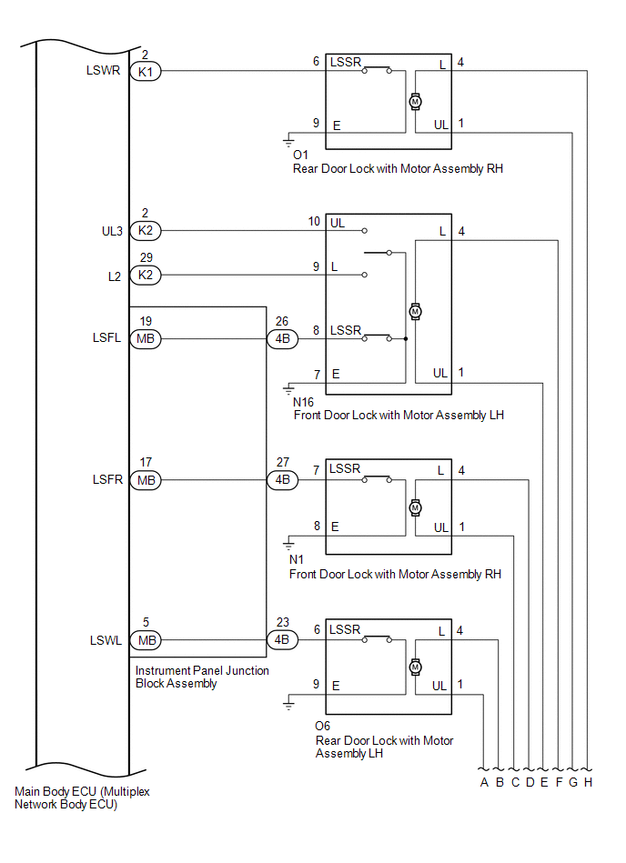
    Fig 2: Power Door Lock Control System Diagram (2 Of 4)
    GTY509960Courtesy of © TOYOTA, LICENSE AGREEMENT TMS1002
    Fig 3: Power Door Lock Control System Diagram (3 Of 4)
    GTY465525Courtesy of © TOYOTA, LICENSE AGREEMENT TMS1002
    Fig 4: Power Door Lock Control System Diagram (4 Of 3)
    GTY462521Courtesy of © TOYOTA, LICENSE AGREEMENT TMS1002
    COMMUNICATION TABLE

    Sender Receiver Signal Line
    Multiplex Network Master Switch Assembly Main Body ECU (Multiplex Network Body ECU) Door control switch signal LIN