LEMON Manuals: Even more car manuals for everyone
Home >> Lexus >> 2017 >> IS 300 Base >> Repair and Diagnosis (Single Page) >> Suspension >> Suspension Control Systems >> Adaptive Variable Suspension System - Diagnostics - Introduction >> Adaptive Variable Suspension System >> System Diagram [04/2013 - 08/2015] >> System Diagram [04/2013 - 08/2015]

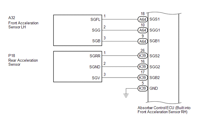
System Diagram [04/2013 - 08/2015]

Fig 1: Adaptive Variable Suspension System Wiring Diagram (1 Of 3)
GTY468039Courtesy of © TOYOTA, LICENSE AGREEMENT TMS1002
Fig 2: Adaptive Variable Suspension System Wiring Diagram (2 Of 3)
GTY467818Courtesy of © TOYOTA, LICENSE AGREEMENT TMS1002
Fig 3: Adaptive Variable Suspension System Wiring Diagram (3 Of 3)
GTY467081Courtesy of © TOYOTA, LICENSE AGREEMENT TMS1002