LEMON Manuals: Even more car manuals for everyone
Home >> Lexus >> 2017 >> IS 300 Base >> Repair and Diagnosis (Single Page) >> Engine Performance >> System >> Engine Control System (2GR-FSE) - Diagnostics - Introduction (1 Of 4) >> SFI System >> System Diagram [08/2015 - 10/2016] >> System Diagram [08/2015 - 10/2016]

System Diagram [08/2015 - 10/2016]

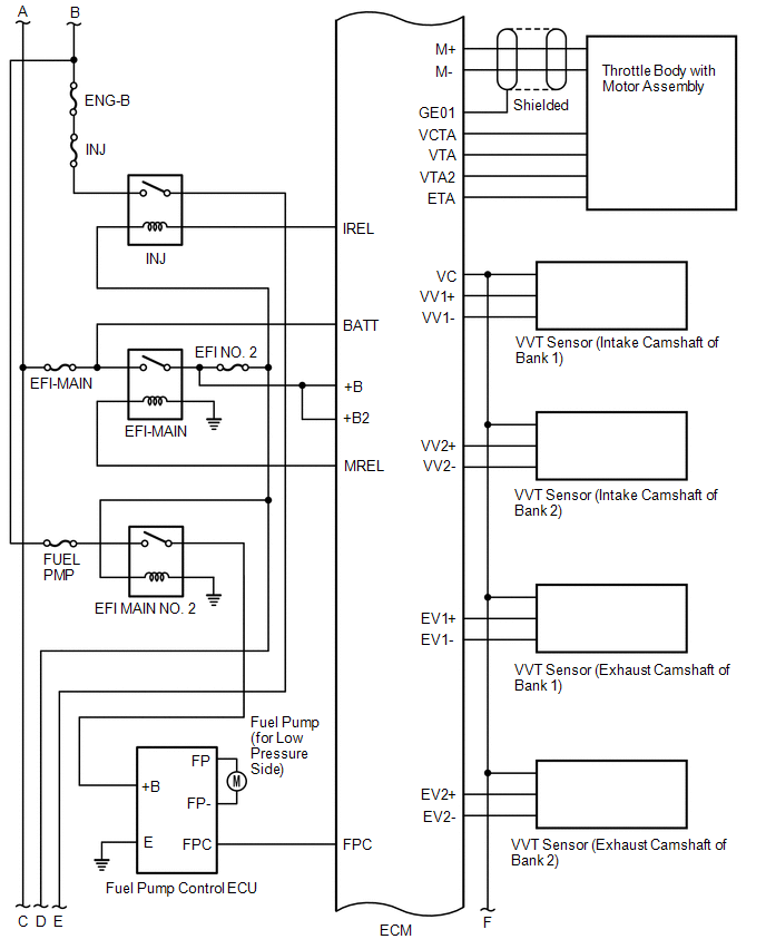
Fig 1: Engine Control System (SFI) System Diagram [08/2015 - 10/2016] (1 Of 6)
GTY633992Courtesy of © TOYOTA, LICENSE AGREEMENT TMS1002
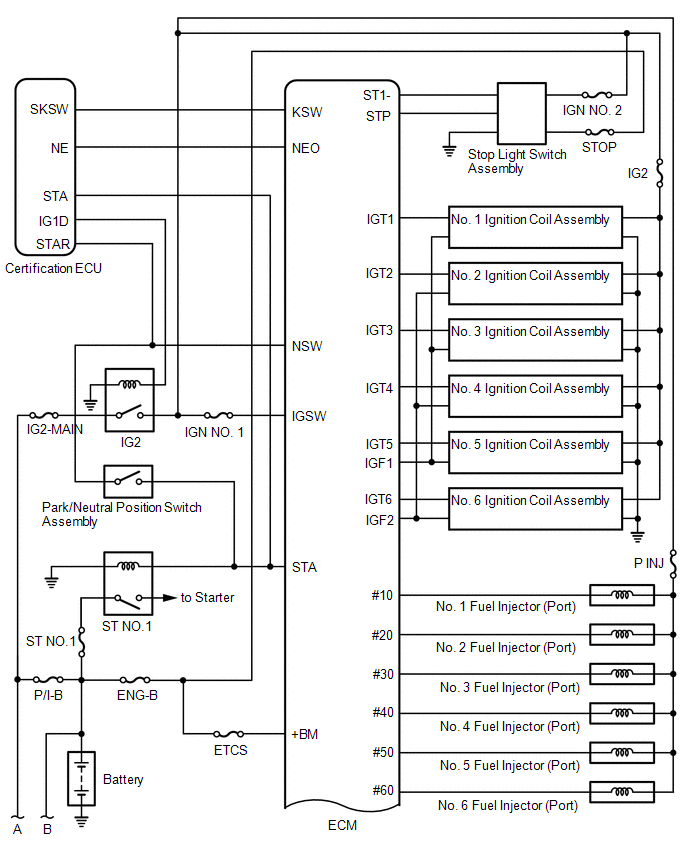
Fig 2: Engine Control System (SFI) System Diagram [08/2015 - 10/2016] (2 Of 6)
GTY665053Courtesy of © TOYOTA, LICENSE AGREEMENT TMS1002
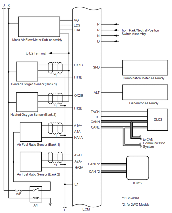
Fig 3: Engine Control System (SFI) System Diagram [08/2015 - 10/2016] (3 Of 6)
GTY457705Courtesy of © TOYOTA, LICENSE AGREEMENT TMS1002
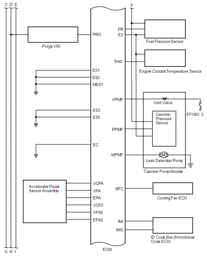
Fig 4: Engine Control System (SFI) System Diagram [08/2015 - 10/2016] (4 Of 6)
GTY466768Courtesy of © TOYOTA, LICENSE AGREEMENT TMS1002
Fig 5: Engine Control System (SFI) System Diagram [08/2015 - 10/2016] (5 Of 6)
GTY463718Courtesy of © TOYOTA, LICENSE AGREEMENT TMS1002
Fig 6: Engine Control System (SFI) System Diagram [08/2015 - 10/2016] (6 Of 6)
GTY460567Courtesy of © TOYOTA, LICENSE AGREEMENT TMS1002