LEMON Manuals: Even more car manuals for everyone
Home >> Lexus >> 2017 >> IS 200t Base >> Repair and Diagnosis >> Accessories & Equipment >> Wiper/Washer Systems >> Wiper System / Washer System - Diagnostics - Introduction >> Wiper And Washer System >> System Diagram [08/2015 - 10/2016] >> System Diagram [08/2015 - 10/2016]

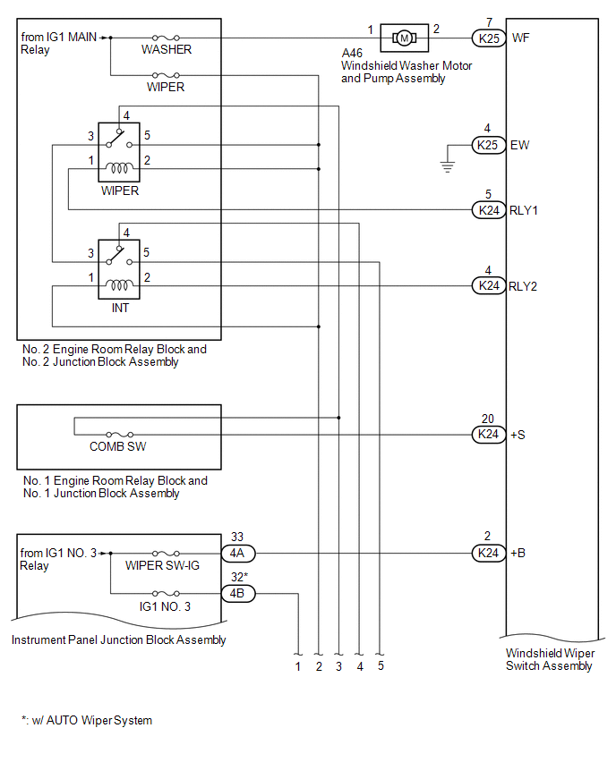
System Diagram [08/2015 - 10/2016]

  1. WIPER AND WASHER SYSTEM 
    Fig 1: Wiper And Washer System Diagram (1 Of 2)
    GTY630462Courtesy of © TOYOTA, LICENSE AGREEMENT TMS1002
    Fig 2: Wiper And Washer System Diagram (2 Of 2)
    GTY679074Courtesy of © TOYOTA, LICENSE AGREEMENT TMS1002
  2. HEADLIGHT CLEANER SYSTEM (w/ Headlight Cleaner System) 
    Fig 3: Headlight Cleaner System Diagram
    GTY680855Courtesy of © TOYOTA, LICENSE AGREEMENT TMS1002
  3. WASHER FLUID LEVEL WARNING SYSTEM 
    Fig 4: Washer Fluid Level Warning System Wiring Diagram
    GTY469805Courtesy of © TOYOTA, LICENSE AGREEMENT TMS1002