LEMON Manuals: Even more car manuals for everyone
Home >> Lexus >> 2017 >> IS 200t Base >> Repair and Diagnosis (Single Page) >> Accessories & Equipment >> Wiper/Washer Systems >> Wiper System / Washer System - Diagnostics - Introduction >> Wiper And Washer System >> System Diagram [04/2013 - 08/2015] >> System Diagram [04/2013 - 08/2015]

System Diagram [04/2013 - 08/2015]

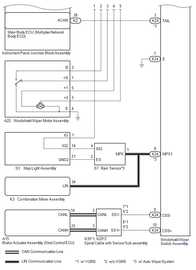
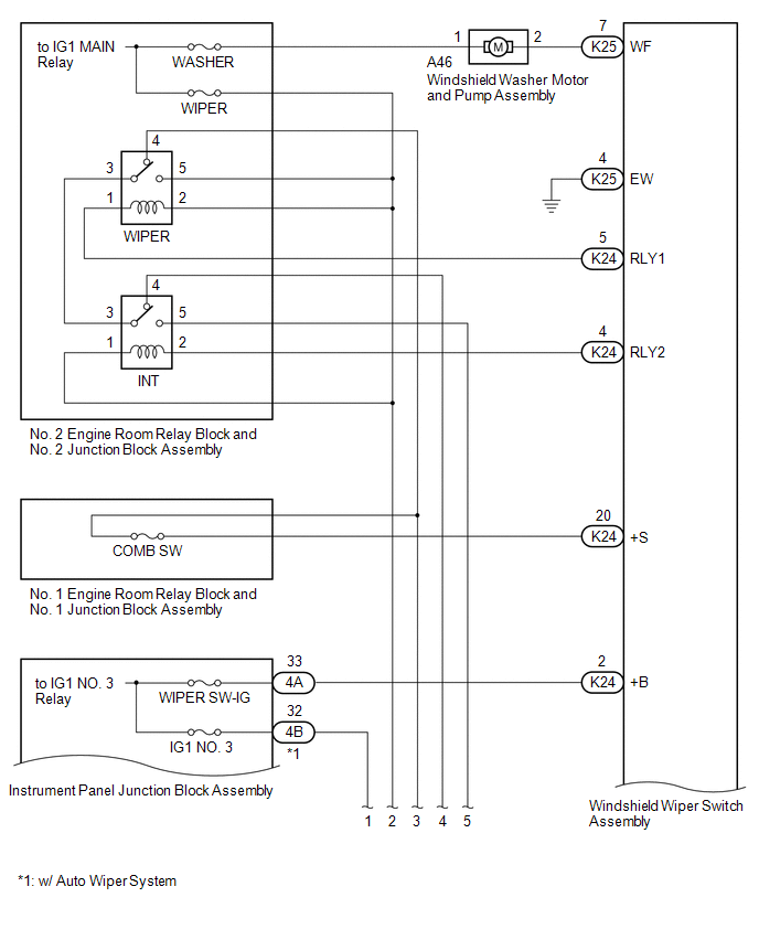
  1. WIPER AND WASHER SYSTEM 
    Fig 1: Wiper And Washer System Wiring Diagram (1 Of 2)
    GTY460866Courtesy of © TOYOTA, LICENSE AGREEMENT TMS1002
    Fig 2: Wiper And Washer System Wiring Diagram (2 Of 2)
    GTY461692Courtesy of © TOYOTA, LICENSE AGREEMENT TMS1002
  2. HEADLIGHT CLEANER SYSTEM (w/ Headlight Cleaner System) 
    Fig 3: Headlight Cleaner System (w/ Headlight Cleaner System) Wiring Diagram
    GTY466369Courtesy of © TOYOTA, LICENSE AGREEMENT TMS1002
  3. WASHER FLUID LEVEL WARNING SYSTEM 
    Fig 4: Washer Fluid Level Warning System Wiring Diagram
    GTY469805Courtesy of © TOYOTA, LICENSE AGREEMENT TMS1002