LEMON Manuals: Even more car manuals for everyone
Home >> Lexus >> 2017 >> GX 460 Premium >> Repair and Diagnosis >> Steering >> Steering Column >> Steering Lock System (Diagnostics - Introduction) >> Steering Lock System >> System Diagram [08/2015 - 08/2019] >> System Diagram [08/2015 - 08/2019]

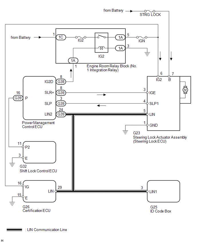
System Diagram [08/2015 - 08/2019]

Fig 1: Steering Lock System Diagram
GTY279357Courtesy of © TOYOTA, LICENSE AGREEMENT TMS1002
CIRCUIT DESCRIPTION

Component Outline
Steering lock actuator assembly (steering lock ECU) The steering is locked and unlocked by communicating with the certification ECU, power management control ECU and ID code box via LIN communication.
When the following conditions are met, the steering can be unlocked.
  • The codes (L codes) of the ID code box and steering lock match.
  • The codes (S codes) of the ID code box and certification ECU match.
  • The certification ECU and key ID codes match.
Power management control ECU Outputs a command to supply power to the steering lock motor based on the power source mode, shift position and vehicle speed signal.
Certification ECU The ID code of the key the user is carrying is sent to the indoor electrical key antenna assembly.
The certification ECU compares the key ID code it receives from the indoor electrical key antenna assembly with its own ID code. If they match, the certification ECU permits the power management control ECU and steering lock ECU to turn the power on, start the engine and unlock and lock the steering.
ID code box Receives immobiliser set and unset commands from the certification ECU via LIN communication and sends them to the ECM.