LEMON Manuals: Even more car manuals for everyone
Home >> Lexus >> 2017 >> GX 460 Base >> Repair and Diagnosis >> Engine Performance >> System >> Engine Control System (Diagnostics - Introduction) (1 Of 4) >> SFI System >> System Diagram [08/2015 - 08/2019] >> System Diagram [08/2015 - 08/2019]

System Diagram [08/2015 - 08/2019]

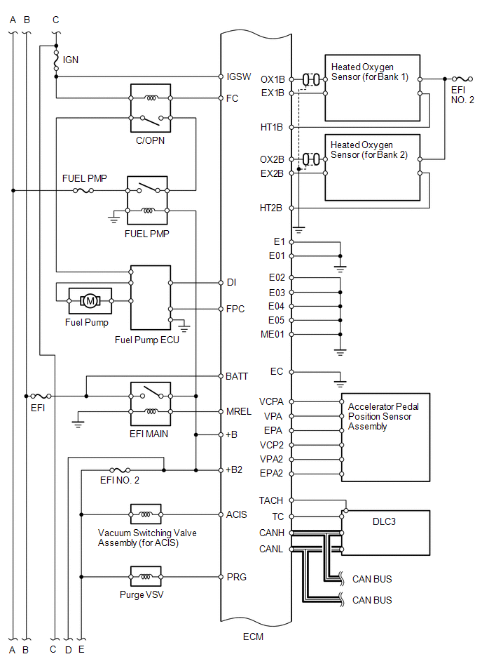
Fig 1: SFI System Diagram (1 Of 6)
GTY654890Courtesy of © TOYOTA, LICENSE AGREEMENT TMS1002
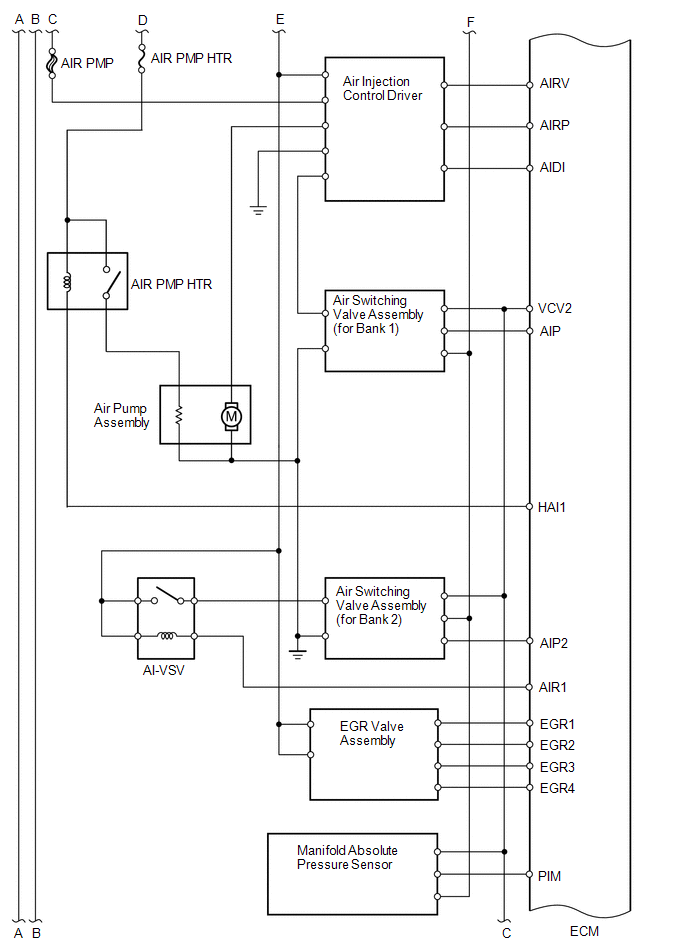
Fig 2: SFI System Diagram (2 Of 6)
GTY637460Courtesy of © TOYOTA, LICENSE AGREEMENT TMS1002
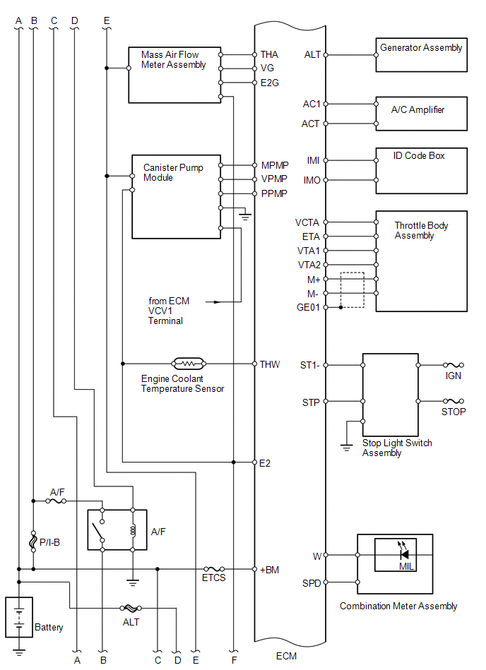
Fig 3: SFI System Diagram (3 Of 6)
GTY460904Courtesy of © TOYOTA, LICENSE AGREEMENT TMS1002
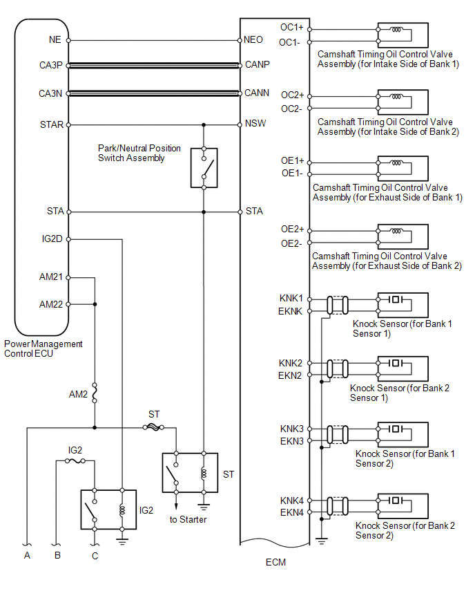
Fig 4: SFI System Diagram (4 Of 6)
GTY623005Courtesy of © TOYOTA, LICENSE AGREEMENT TMS1002
Fig 5: SFI System Wiring Diagram (5 Of 6)
GTY272854Courtesy of © TOYOTA, LICENSE AGREEMENT TMS1002
Fig 6: SFI System Wiring Diagram (6 Of 6)
GTY684714Courtesy of © TOYOTA, LICENSE AGREEMENT TMS1002