LEMON Manuals: Even more car manuals for everyone
Home >> Lexus >> 2017 >> GX 460 Base >> Repair and Diagnosis (Single Page) >> Transmission >> Transfer Case >> Transfer Case (Diagnostics - Introduction) >> Transfer System >> System Diagram [08/2015 - 08/2019] >> System Diagram [08/2015 - 08/2019]

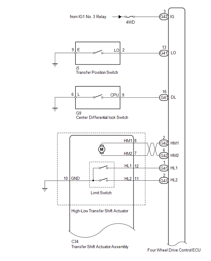
System Diagram [08/2015 - 08/2019]

Fig 1: Transfer System Wiring Diagram (1 Of 3)
GTY278982Courtesy of © TOYOTA, LICENSE AGREEMENT TMS1002
Fig 2: Transfer System Wiring Diagram (2 Of 2)
GTY670372Courtesy of © TOYOTA, LICENSE AGREEMENT TMS1002
Fig 3: Transfer System Wiring Diagram (3 Of 3)
GTY267952Courtesy of © TOYOTA, LICENSE AGREEMENT TMS1002