LEMON Manuals: Even more car manuals for everyone
Home >> Lexus >> 2017 >> GX 460 Base >> Repair and Diagnosis (Single Page) >> Accessories & Equipment >> Wiper/Washer Systems >> Wiper System / Washer System (Without Rain Sensor) (Diagnostics & Circuit Tests) >> WIPER AND WASHER SYSTEM (w/o Rain Sensor) >> System Diagram [08/2016 - 08/2019] >> System Diagram [08/2016 - 08/2019]

System Diagram [08/2016 - 08/2019]

  1. FRONT WIPER AND WASHER SYSTEM 
    Fig 1: Front Wiper And Washer System Wiring Diagram
    GTY626869Courtesy of © TOYOTA, LICENSE AGREEMENT TMS1002
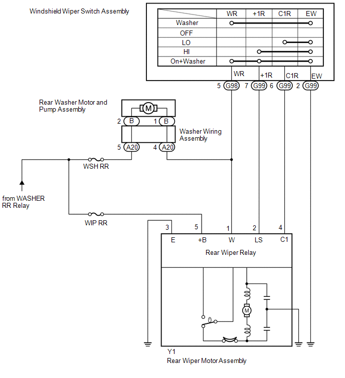
  2. REAR WIPER AND WASHER SYSTEM 
    Fig 2: Rear Wiper And Washer System Diagram
    GTY469128Courtesy of © TOYOTA, LICENSE AGREEMENT TMS1002
  3. HEADLIGHT CLEANER SYSTEM (w/ Headlight Cleaner System) 
    Fig 3: Headlight Cleaner System (W/ Headlight Cleaner System) Wiring Diagram
    GTY664423Courtesy of © TOYOTA, LICENSE AGREEMENT TMS1002
  4. WASHER FLUID LEVEL WARNING SYSTEM 
    Fig 4: Washer Fluid Level Warning System Wiring Diagram
    GTY665569Courtesy of © TOYOTA, LICENSE AGREEMENT TMS1002