LEMON Manuals: Even more car manuals for everyone
Home >> Lexus >> 2017 >> GX 460 Base >> Repair and Diagnosis (Single Page) >> Accessories & Equipment >> Infotainment >> LEXUS ENFORM System (Diagnostics - Introduction) >> LEXUS ENFORM System >> System Diagram [08/2015 - 08/2018] >> System Diagram [08/2015 - 08/2018]

System Diagram [08/2015 - 08/2018]

Fig 1: Lexus Enform System Wiring Diagram (1 Of 4)
GTY645044Courtesy of © TOYOTA, LICENSE AGREEMENT TMS1002
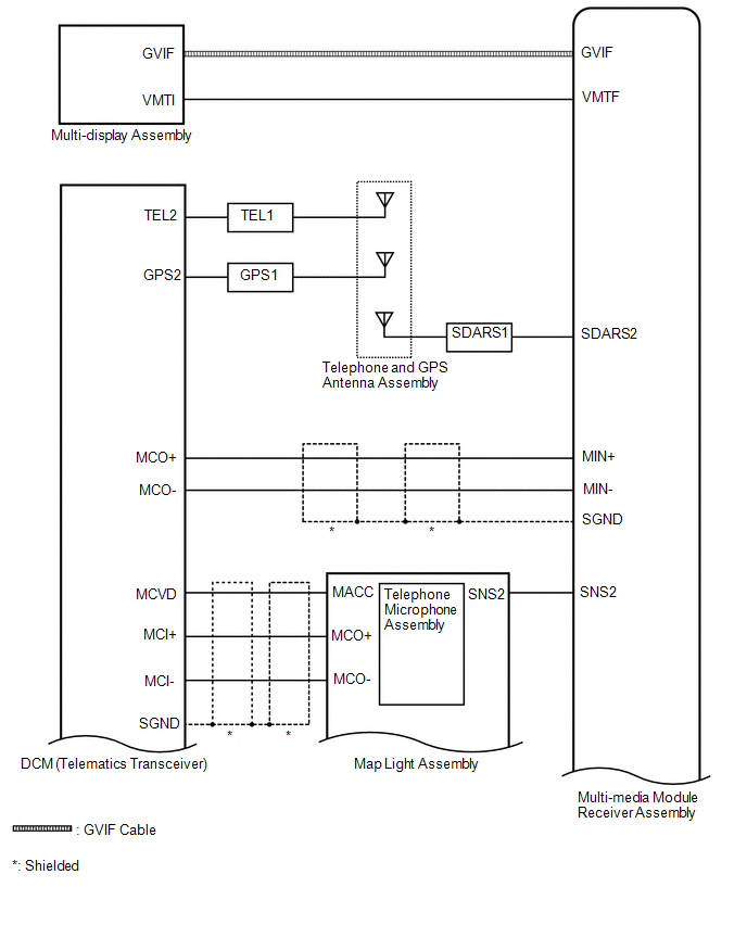
Fig 2: Lexus Enform System Diagram (2 Of 4)
GTY460192Courtesy of © TOYOTA, LICENSE AGREEMENT TMS1002
Fig 3: Lexus Enform System Diagram (3 Of 4)
GTY469653Courtesy of © TOYOTA, LICENSE AGREEMENT TMS1002
Fig 4: Lexus Enform System Diagram (4 Of 4)
GTY458327Courtesy of © TOYOTA, LICENSE AGREEMENT TMS1002