LEMON Manuals: Even more car manuals for everyone
Home >> Lexus >> 2017 >> GS F >> Repair and Diagnosis (Single Page) >> Accessories & Equipment >> Entertainment Systems >> LEXUS ENFORM System (Diagnostics & Circuit Tests) >> LEXUS ENFORM System >> System Diagram [09/2017 - ] >> System Diagram [09/2017 - ]

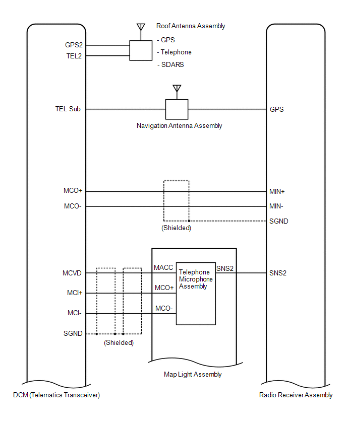
System Diagram [09/2017 - ]

HINT: 

Refer to following systems for details of the system diagram for LEXUS ENFORM System.

GTY824866Courtesy of © TOYOTA, LICENSE AGREEMENT TMS1002
GTY659559Courtesy of © TOYOTA, LICENSE AGREEMENT TMS1002
GTY822133Courtesy of © TOYOTA, LICENSE AGREEMENT TMS1002