LEMON Manuals: Even more car manuals for everyone
Home >> Lexus >> 2017 >> GS F >> Repair and Diagnosis (Single Page) >> Accessories & Equipment >> Anti-Theft Systems >> Smart Access System (Keyless Entry) (Diagnostic Codes & Symptom Tests) >> SMART ACCESS SYSTEM WITH PUSH-BUTTON START (for Entry Function) >> Symptom Tests >> Front Passenger Side Door Entry Lock Function does not Operate [10/2015 - ] >> Wiring Diagram

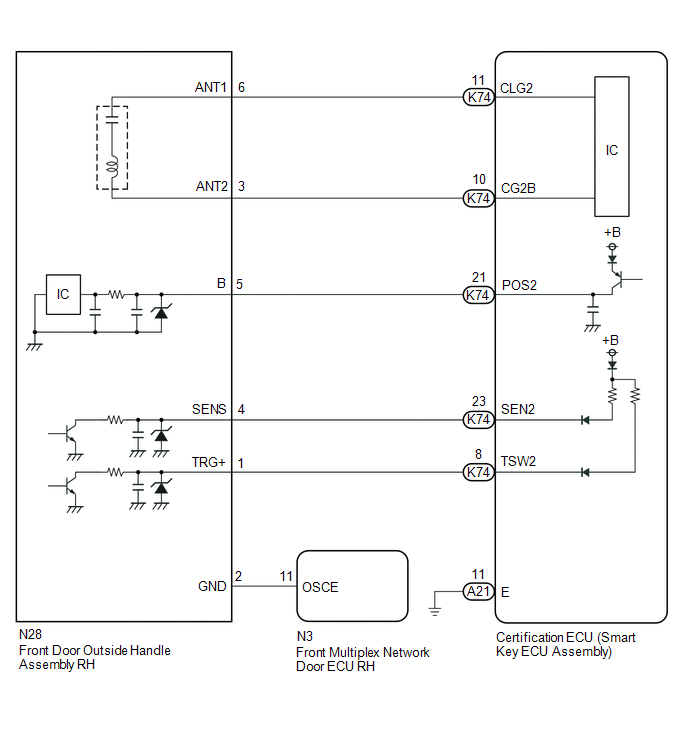
Front Passenger Side Door Entry Lock Function does not Operate [10/2015 - ]: Wiring Diagram

GTY625263Courtesy of © TOYOTA, LICENSE AGREEMENT TMS1002