LEMON Manuals: Even more car manuals for everyone
Home >> Lexus >> 2017 >> GS 450h Base >> Repair and Diagnosis >> Accessories & Equipment >> Anti-Theft Systems >> Smart Access System With Push-Button Start (For Start Function) (Diagnostic Codes & Symptom Tests) >> SMART ACCESS SYSTEM WITH PUSH-BUTTON START (for Start Function) >> Symptom Tests >> Power Source Mode does not Change to ON (IG and ACC) [09/2014 - 10/2015] >> Wiring Diagram

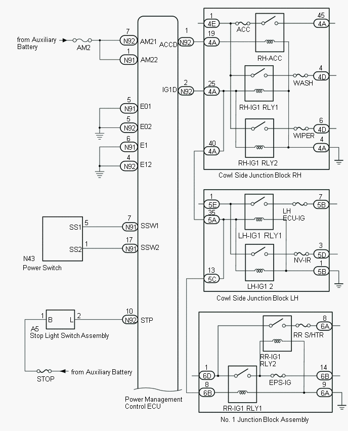
Power Source Mode does not Change to ON (IG and ACC) [09/2014 - 10/2015]: Wiring Diagram

Fig 1: Power Source Mode Wiring Diagram (1 Of 2)
GTY532123Courtesy of © TOYOTA, LICENSE AGREEMENT TMS1002
Fig 2: Power Source Mode Wiring Diagram (2 Of 2)
GTY530888Courtesy of © TOYOTA, LICENSE AGREEMENT TMS1002