LEMON Manuals: Even more car manuals for everyone
Home >> Lexus >> 2017 >> GS 450h Base >> Repair and Diagnosis (Single Page) >> Steering >> Steering Column >> Steering Lock System (Diagnostic Codes & Symptom Tests) >> Steering Lock System >> Symptom Tests >> Unable to Unlock Steering Wheel (Hybrid Control System cannot Start) [09/2014 - ] >> Wiring Diagram

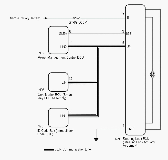
Unable to Unlock Steering Wheel (Hybrid Control System cannot Start) [09/2014 - ]: Wiring Diagram

Fig 1: Steering Lock System Wiring Diagram
GTY536825Courtesy of © TOYOTA, LICENSE AGREEMENT TMS1002