LEMON Manuals: Even more car manuals for everyone
Home >> Lexus >> 2017 >> ES 350 >> Repair and Diagnosis >> Engine Performance >> Remove, Overhaul & Install >> Engine Control System (Service Information) >> Integration Relay >> Inspection [07/2015 - ] >> Procedure

Inspection [07/2015 - ]: Procedure

  1. INSPECT NO. 1 INTEGRATION RELAY 
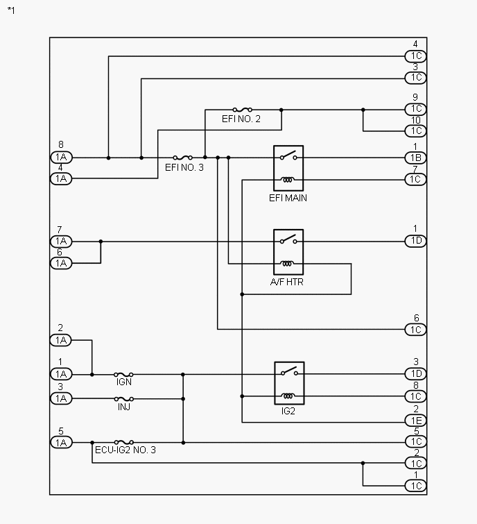
    GTY678920Courtesy of © TOYOTA, LICENSE AGREEMENT TMS1002
    TEXT IN ILLUSTRATION

    *1 No. 1 Integration Relay - -
    1. EFI MAIN RELAY:
      1. Measure the resistance according to the value(s) in the table below.
        GTY616164Courtesy of © TOYOTA, LICENSE AGREEMENT TMS1002

        Standard Resistance

        Tester Connection Condition Specified Condition
        1B-1 - 1A-8 Battery voltage is not applied between terminals 1C-7 and 1E-2 10 kΩ or higher
        1B-1 - 1A-8 Battery voltage is applied between terminals 1C-7 and 1E-2 Below 1 Ω
        1B-1 - 1C-3
        1B-1 - 1C-4
        1B-1 - 1C-6
        1B-1 - 1C-9
        1B-1 - 1C-10
        TEXT IN ILLUSTRATION

        *1 Component without harness connected
        (No. 1 Integration Relay)

        If the resistance is not as specified, replace the No. 1 integration relay.

    2. A/F HTR RELAY:
      1. Measure the resistance according to the value(s) in the table below.
        GTY673294Courtesy of © TOYOTA, LICENSE AGREEMENT TMS1002

        Standard Resistance

        Tester Connection Condition Specified Condition
        1A-6 - 1D-1 Battery voltage is not applied between terminals 1A-8 and 1E-2 10 kΩ or higher
        1A-6 - 1D-1 Battery voltage is applied between terminals 1A-8 and 1E-2 Below 1 Ω
        1A-7 - 1D-1
        TEXT IN ILLUSTRATION

        *1 Component without harness connected
        (No. 1 Integration Relay)

        If the resistance is not as specified, replace the No. 1 integration relay.

    3. IG2 RELAY:
      1. Measure the resistance according to the value(s) in the table below.
        GTY616165Courtesy of © TOYOTA, LICENSE AGREEMENT TMS1002

        Standard Resistance

        Tester Connection Condition Specified Condition
        1A-1 - 1D-3 Battery voltage is not applied between terminals 1C-8 and 1E-2 10 kΩ or higher
        1A-1 - 1D-3 Battery voltage is applied between terminals 1C-8 and 1E-2 Below 1 Ω
        1A-3 - 1D-3
        1A-5 - 1D-3
        1C-1 - 1D-3
        1C-2 - 1D-3
        1C-5 - 1D-3
        TEXT IN ILLUSTRATION

        *1 Component without harness connected
        (No. 1 Integration Relay)

        If the resistance is not as specified, replace the No. 1 integration relay.