LEMON Manuals: Even more car manuals for everyone
Home >> Lexus >> 2017 >> ES 350 >> Repair and Diagnosis (Single Page) >> Electrical >> Starter >> Smart Access System (For Start Function) (Diagnostic Codes & Symptom Tests) >> Smart Access System With Push-Button Start (For Start Function) >> Power Source Mode does not Change to ON (IG) (07/2015 -) >> Wiring Diagram

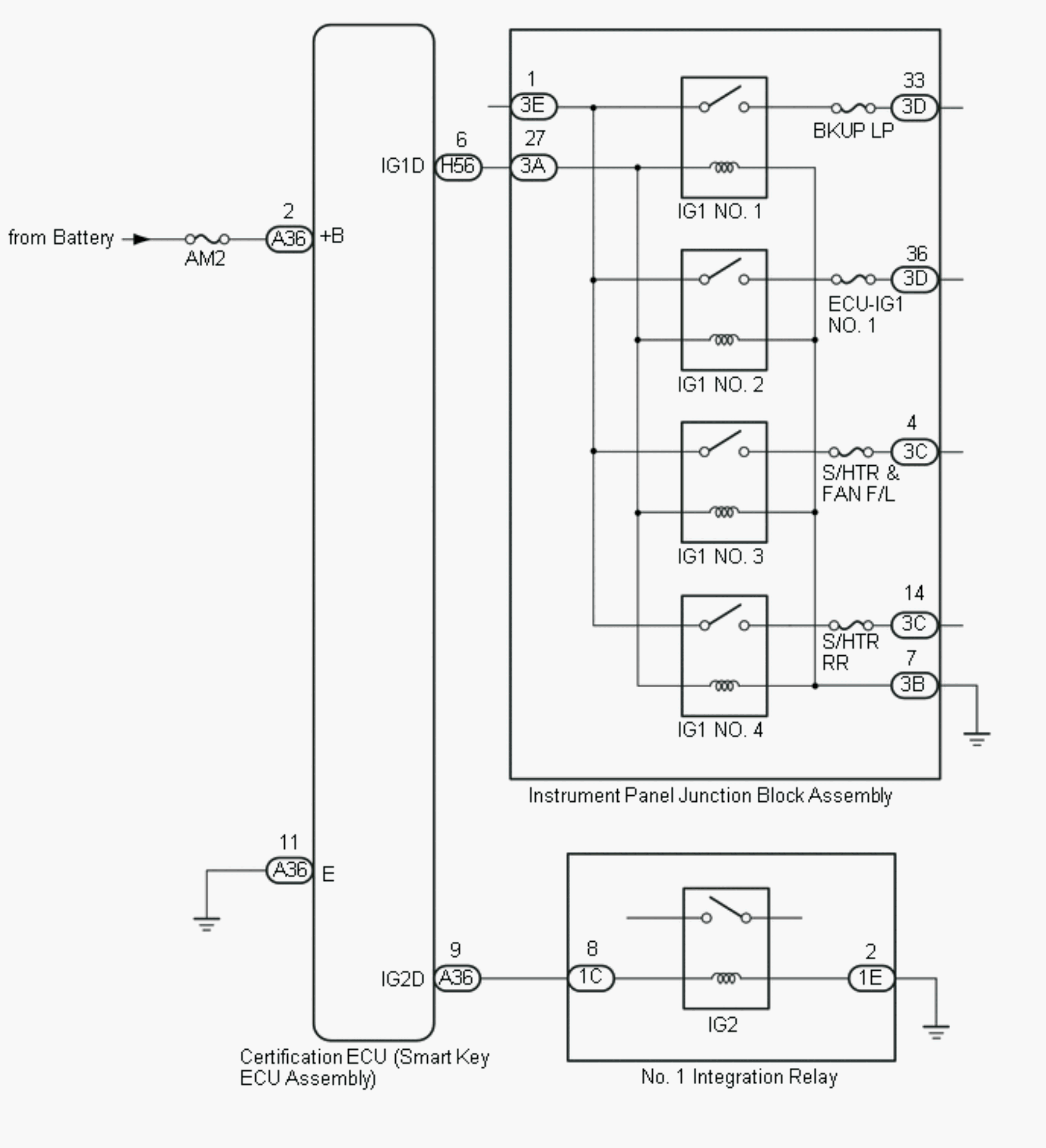
Power Source Mode does not Change to ON (IG) (07/2015 -): Wiring Diagram

Fig 1: Smart Access System Wiring Diagram
GTY648649Courtesy of © TOYOTA, LICENSE AGREEMENT TMS1002