LEMON Manuals: Even more car manuals for everyone
Home >> Lexus >> 2017 >> ES 350 >> Repair and Diagnosis (Single Page) >> Accessories & Equipment >> Communication Devices >> Can Communication System (W/ Central Gateway Ecu) (Diagnostics & Symptom Tests) >> CAN COMMUNICATION SYSTEM(w/ Central Gateway ECU) >> Open in Bus 2 Main Bus Line (07/2015 -) >> Wiring Diagram

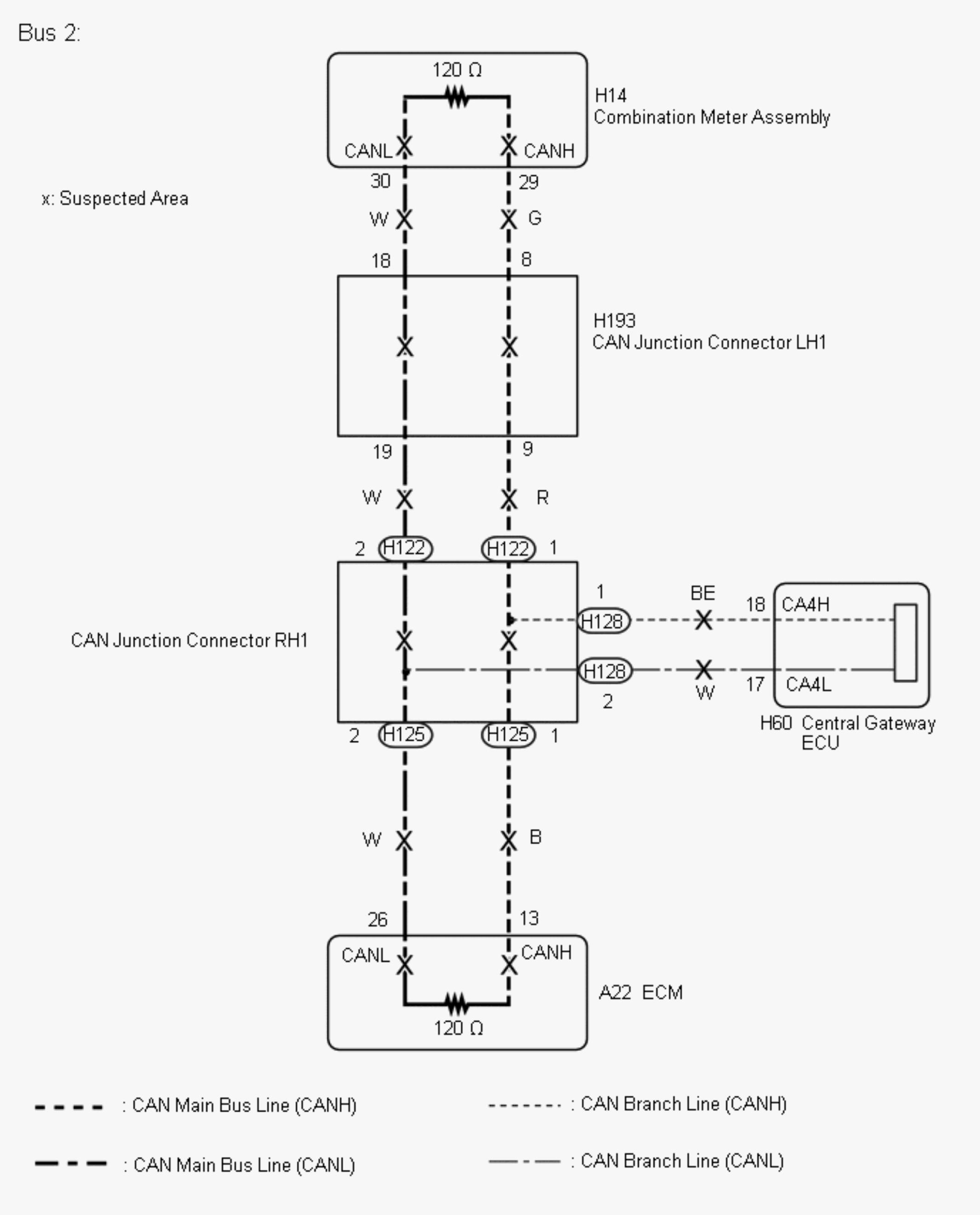
Open in Bus 2 Main Bus Line (07/2015 -): Wiring Diagram

Fig 1: CAN Communication System Wiring Diagram
GTY615289Courtesy of © TOYOTA, LICENSE AGREEMENT TMS1002