LEMON Manuals: Even more car manuals for everyone
Home >> Lexus >> 2017 >> ES 350 >> Repair and Diagnosis (Single Page) >> Accessories & Equipment >> Anti-Theft Systems >> Smart Access System (For Entry Function) (Diagnostic Codes & Symptom Tests) >> Smart Access System With Push-Button Start (For Entry Function) >> Rear Door RH Entry Lock and Unlock Functions do not Operate (07/2015 -) >> Wiring Diagram

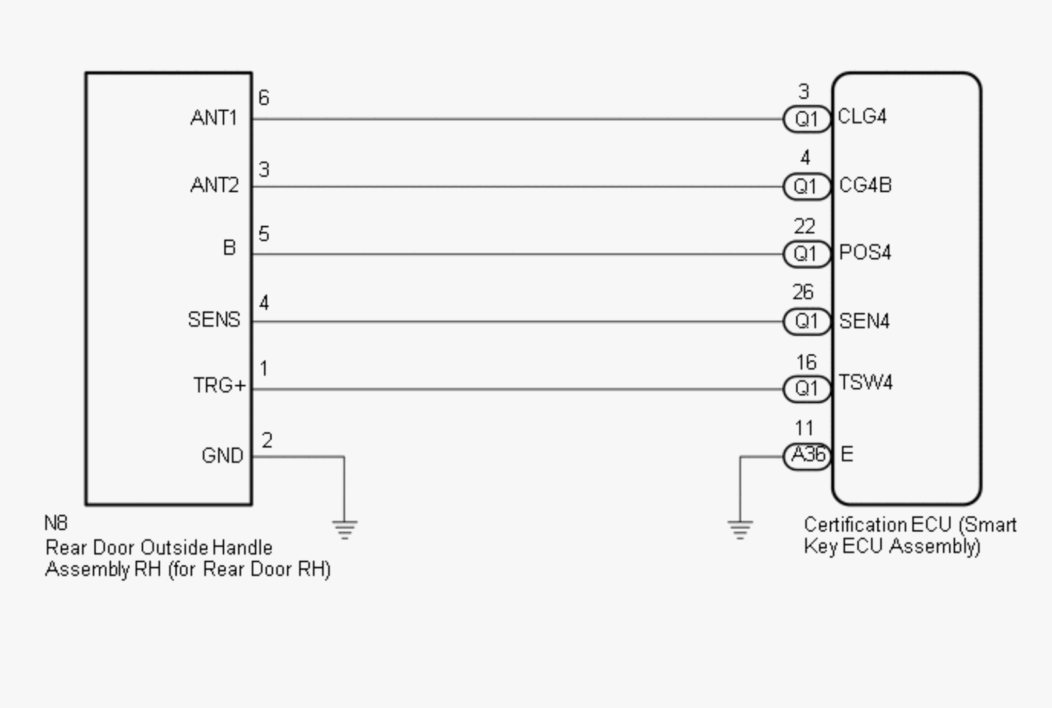
Rear Door RH Entry Lock and Unlock Functions do not Operate (07/2015 -): Wiring Diagram

Fig 1: Outside Door Handle And Certification ECU Wiring Diagram
GTY614737Courtesy of © TOYOTA, LICENSE AGREEMENT TMS1002