LEMON Manuals: Even more car manuals for everyone
Home >> Lexus >> 2017 >> ES 300h >> Repair and Diagnosis >> Engine Performance >> Remove, Overhaul & Install >> Engine Control System (Service Information) >> Integration Relay >> Inspection [07/2015 - ] >> Procedure

Inspection [07/2015 - ]: Procedure

  1. INSPECT NO. 1 INTEGRATION RELAY 
    GTY481501Courtesy of © TOYOTA, LICENSE AGREEMENT TMS1002
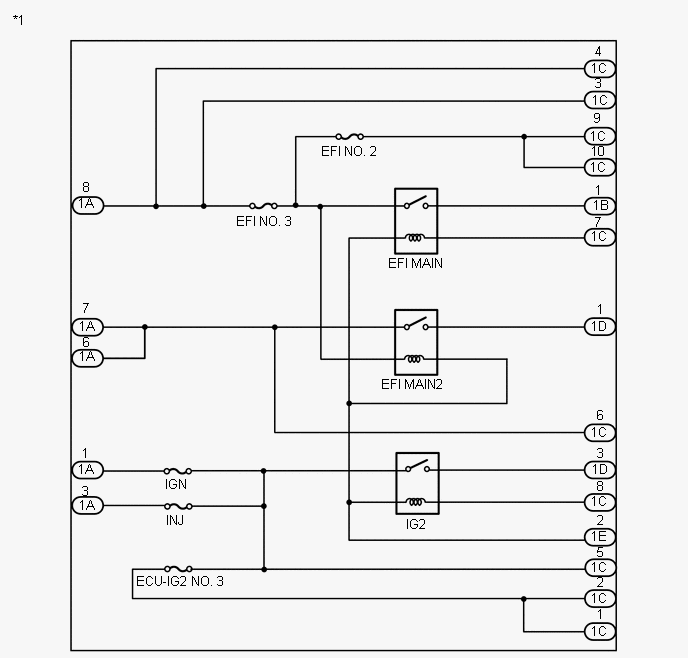
    TEXT IN ILLUSTRATION

    *1 No. 1 Integration Relay - -
    1. EFI MAIN Relay:
      1. Measure the resistance according to the value(s) in the table below.
        GTY541890Courtesy of © TOYOTA, LICENSE AGREEMENT TMS1002
        TEXT IN ILLUSTRATION

        *1 No. 1 Integration Relay

        Standard Resistance

        Tester Connection Condition Specified Condition
        1A-8 - 1B-1 Auxiliary battery voltage not applied between terminals 1C-7 and 1E-2 10 kΩ or higher
        1A-8 - 1B-1 Auxiliary battery voltage applied between terminals 1C-7 and 1E-2 Below 1 Ω
        1C-4 - 1B-1
        1C-9 - 1B-1
        1C-10 - 1B-1

        If the result is not as specified, replace the No. 1 integration relay

    2. EFI MAIN2 Relay:
      1. Measure the resistance according to the value(s) in the table below..
        GTY541890Courtesy of © TOYOTA, LICENSE AGREEMENT TMS1002
        TEXT IN ILLUSTRATION

        *1 No. 1 Integration Relay

        Standard Resistance

        Tester Connection Condition Specified Condition
        1A-6 - 1D-1 Auxiliary battery voltage not applied between terminals 1A-8 and 1E-2 10 kΩ or higher
        1A-6 - 1D-1 Auxiliary battery voltage applied between terminals 1A-8 and 1E-2 Below 1 Ω
        1A-7 - 1D-1
        1C-6 - 1D-1

        If the result is not as specified, replace the No. 1 integration relay.

    3. IG2 Relay:
      1. Measure the resistance according to the value(s) in the table below.
        GTY541890Courtesy of © TOYOTA, LICENSE AGREEMENT TMS1002
        TEXT IN ILLUSTRATION

        *1 No. 1 Integration Relay

        Standard Resistance

        Tester Connection Condition Specified Condition
        1A-1 - 1D-3 Auxiliary battery voltage not applied between terminals 1A-8 and 1E-2 10 kΩ or higher
        1A-1 - 1D-3 Auxiliary battery voltage applied between 1A-7 - 1D-1 terminals 1A-8 and 1E-2 Below 1 Ω
        1A-3 - 1D-3
        1C-1 - 1D-3
        1C-2 - 1D-3
        1C-5 - 1D-3

        If the result is not as specified, replace the No. 1 integration relay.