LEMON Manuals: Even more car manuals for everyone
Home >> Lexus >> 2017 >> ES 300h >> Repair and Diagnosis (Single Page) >> Electrical >> Fuses & Circuit Breakers >> OEM Junction Block, Ecu & Fuse/Relay Locations >> Junction Block Fuse, Relay & Circuit Identification >> Instrument Panel Junction Block Assembly - Instrument Panel Reinforcement >> Instrument Panel Junction Block Assembly Inner Circuit

Instrument Panel Junction Block Assembly Inner Circuit

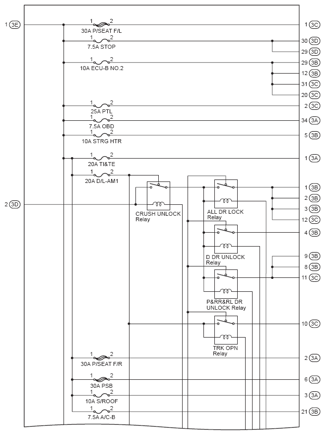
Fig 1: Instrument Panel J/B Assembly Inner Circuit Diagram (1 Of 5) With Relays
G08953529Courtesy of © TOYOTA, LICENSE AGREEMENT TMS1002
INSTRUMENT PANEL J/B INNER CIRCUIT RELAY IDENTIFICATION

RELAY DESCRIPTION
CRUSH Unlock Relay
All DR Lock Relay
D DR Unlock Relay
P & RR & RL DR Unlock Relay
TRK OPN Relay
Fig 2: Instrument Panel J/B Assembly Inner Circuit Diagram (2 Of 5) With Relays
G08953530Courtesy of © TOYOTA, LICENSE AGREEMENT TMS1002
INSTRUMENT PANEL J/B INNER CIRCUIT RELAY IDENTIFICATION

RELAY DESCRIPTION
Fuel OPN Relay
ACC No.1 Relay
ACC No.2 Relay
IG1 No.1 Relay
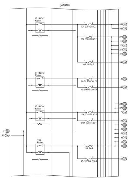
Fig 3: Instrument Panel J/B Assembly Inner Circuit Diagram (3 Of 5) With Relays
G00406106Courtesy of © TOYOTA, LICENSE AGREEMENT TMS1002
INSTRUMENT PANEL J/B INNER CIRCUIT RELAY IDENTIFICATION

RELAY DESCRIPTION
IG1 No.2 Relay
IG1 No.3 Relay
IG1 No.4 Relay
Tail Relay
Fig 4: Instrument Panel J/B Assembly Inner Circuit Diagram (4 Of 5)
G08953532Courtesy of © TOYOTA, LICENSE AGREEMENT TMS1002
Fig 5: Instrument Panel J/B Assembly Inner Circuit Diagram (5 Of 5)
G00406107Courtesy of © TOYOTA, LICENSE AGREEMENT TMS1002