LEMON Manuals: Even more car manuals for everyone
Home >> Lexus >> 2016 >> RX 350 Base, AWD >> Repair and Diagnosis >> Body & Frame >> Mirrors >> Power Mirror Control System (W/O Memory) - Diagnostics - Introduction >> POWER MIRROR CONTROL SYSTEM (w/o Memory) >> System Diagram [09/2015 - ] >> System Diagram [09/2015 - ]

System Diagram [09/2015 - ]

Fig 1: Power Mirror Control System Diagram (W/O Memory) (1 Of 5)
GTY654379Courtesy of © TOYOTA, LICENSE AGREEMENT TMS1002
Fig 2: Power Mirror Control System Diagram (W/O Memory) (2 Of 5)
GTY952038Courtesy of © TOYOTA, LICENSE AGREEMENT TMS1002
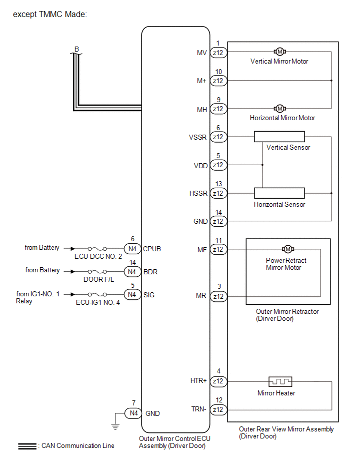
Fig 3: Power Mirror Control System Diagram (W/O Memory) (3 Of 5)
GTY952317Courtesy of © TOYOTA, LICENSE AGREEMENT TMS1002
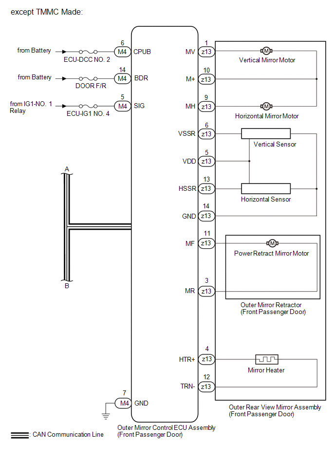
Fig 4: Power Mirror Control System Diagram (W/O Memory) (4 Of 5)
GTY949919Courtesy of © TOYOTA, LICENSE AGREEMENT TMS1002
Fig 5: Power Mirror Control System Diagram (W/O Memory) (5 Of 5)
GTY949824Courtesy of © TOYOTA, LICENSE AGREEMENT TMS1002
COMMUNICATION TABLE

Sender Receiver Signal Line
Air Conditioning Amplifier Assembly Main Body ECU (Multiplex Network Body ECU) Mirror heater drive request signal CAN
Main Body ECU (Multiplex Network Body ECU) Outer Mirror Control ECU Assembly
  • IG signal
  • ACC signal
  • Multiplex network master switch assembly operation signal
  • Mirror position request signal (reverse shift-linked function)
  • Mirror heater drive request signal
CAN
Outer Mirror Control ECU Assembly Main Body ECU (Multiplex Network Body ECU) Outer mirror state signal CAN
ECM Main Body ECU (Multiplex Network Body ECU) Reverse signal CAN
Radio Receiver Assembly Air Conditioning Amplifier Assembly Mirror heater switch (rear window defogger switch) operation signal LIN
Multiplex Network Master Switch Assembly Main Body ECU (Multiplex Network Body ECU) Outer mirror switch signal LIN