LEMON Manuals: Even more car manuals for everyone
Home >> Lexus >> 2016 >> RC F >> Repair and Diagnosis >> External Pages >> Different car >> Section 7 (Forward Recognition Camera System - Diagnostics - Introduction) >> Forward Recognition Camera System >> System Diagram [11/2017 - 01/2023] >> System Diagram [11/2017 - 01/2023]

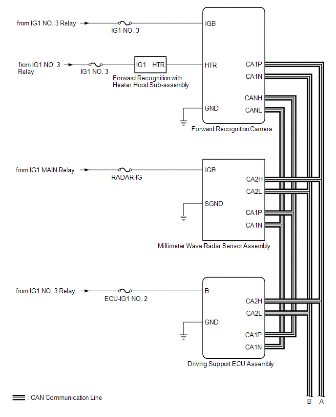
System Diagram [11/2017 - 01/2023]

WARNING: This page is about a different car, the 2022 Lexus RC F, 2021 Lexus RC F, 2020 Lexus RC F, 2019 Lexus RC F, and 2018 Lexus RC F. However, it is still accessible from the selected car via links, so may be relevant.
GTY828990Courtesy of © TOYOTA, LICENSE AGREEMENT TMS1002
GTY681157Courtesy of © TOYOTA, LICENSE AGREEMENT TMS1002
GTY623157Courtesy of © TOYOTA, LICENSE AGREEMENT TMS1002
COMMUNICATION TABLE

Sender Receiver Signal Line
Forward Recognition Camera Main Body ECU (Multiplex Network Body ECU) Automatic high beam control signal CAN
Driving Support ECU Assembly Forward Recognition Camera PCS control information signal CAN
ECM Forward Recognition Camera
  • Shift position signal (P, R, N, D)
  • Engine type information signal
  • Vehicle specification information (2WD/4WD information, conventional/ hybrid information)
  • Cruise control system control signal
CAN
Main Body ECU (Multiplex Network Body ECU) Forward Recognition Camera Vehicle specification information (destination) CAN
Skid Control ECU (Brake Actuator Assembly) Forward Recognition Camera
  • Vehicle speed signal
  • Stop light switch signal
  • Vehicle yaw rate sensor zero point malfunction signal
  • Vehicle stability control system operation signal
  • Vehicle stability control system malfunction signal
CAN
Yaw Rate Sensor Forward Recognition Camera Vehicle yaw rate sensor signal CAN