LEMON Manuals: Even more car manuals for everyone
Home >> Lexus >> 2016 >> LS 460 Base, AWD >> Repair and Diagnosis (Single Page) >> Engine Performance >> System >> Engine Control System - Diagnostics - Introduction (1 Of 2) >> SFI System >> System Diagram [09/2015 - ] >> System Diagram [09/2015 - ]

System Diagram [09/2015 - ]

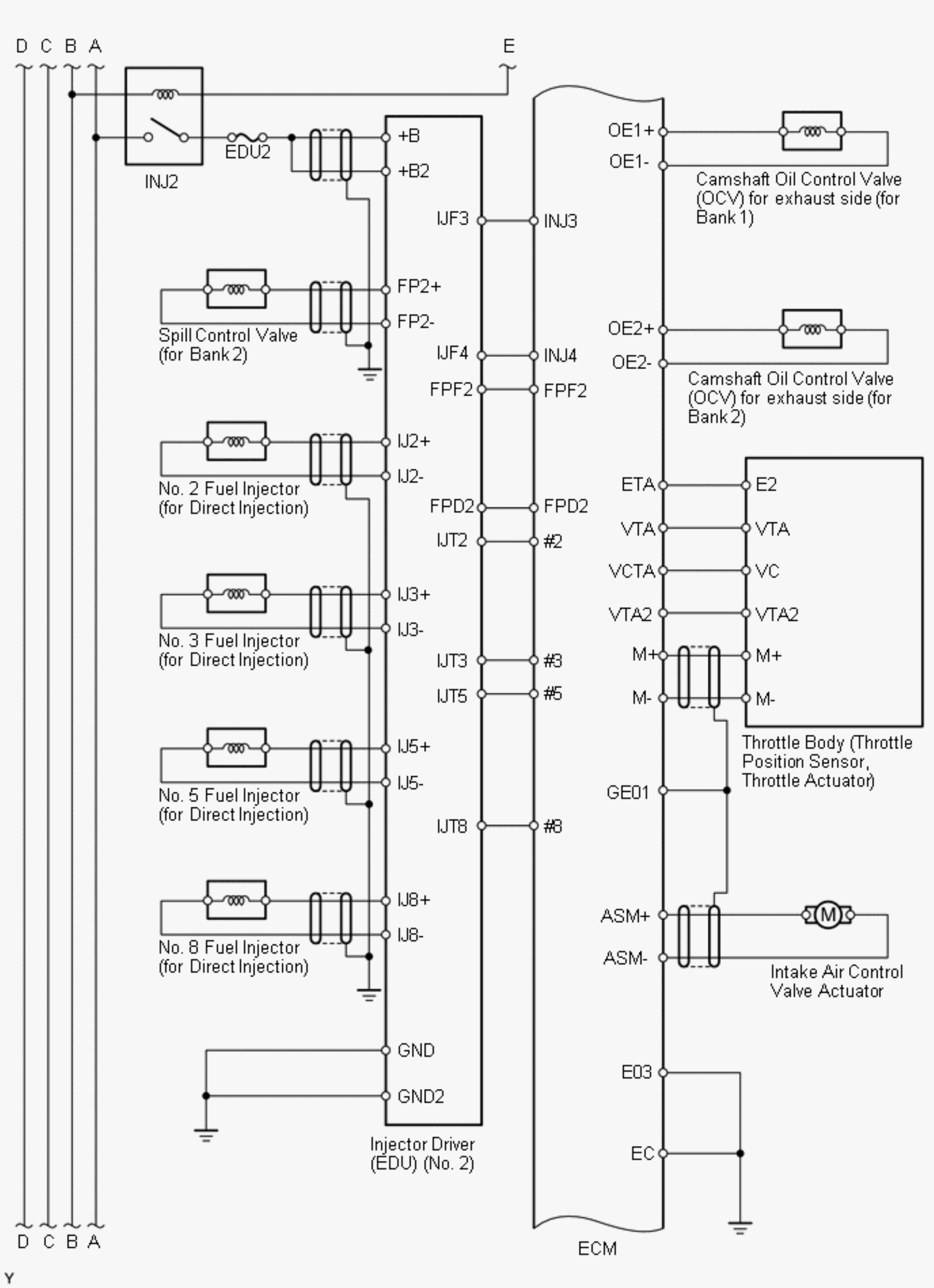
Fig 1: SFI System Diagram (1 Of 7)
GTY393171Courtesy of © TOYOTA, LICENSE AGREEMENT TMS1002
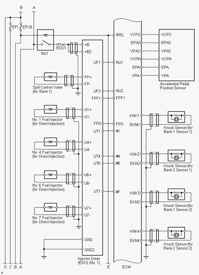
Fig 2: SFI System Diagram (2 Of 7)
GTY626229Courtesy of © TOYOTA, LICENSE AGREEMENT TMS1002
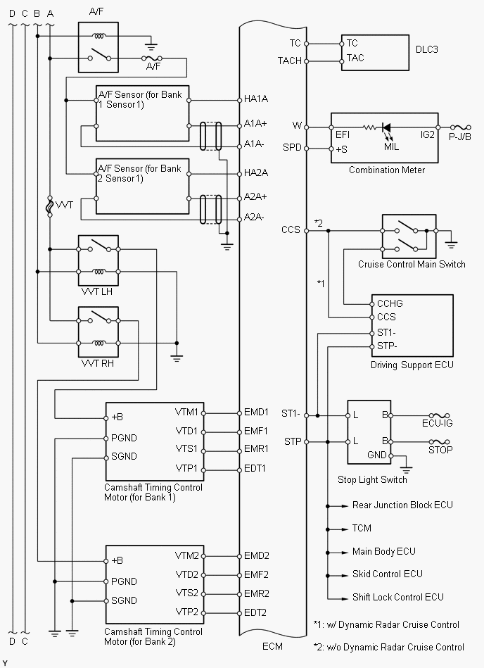
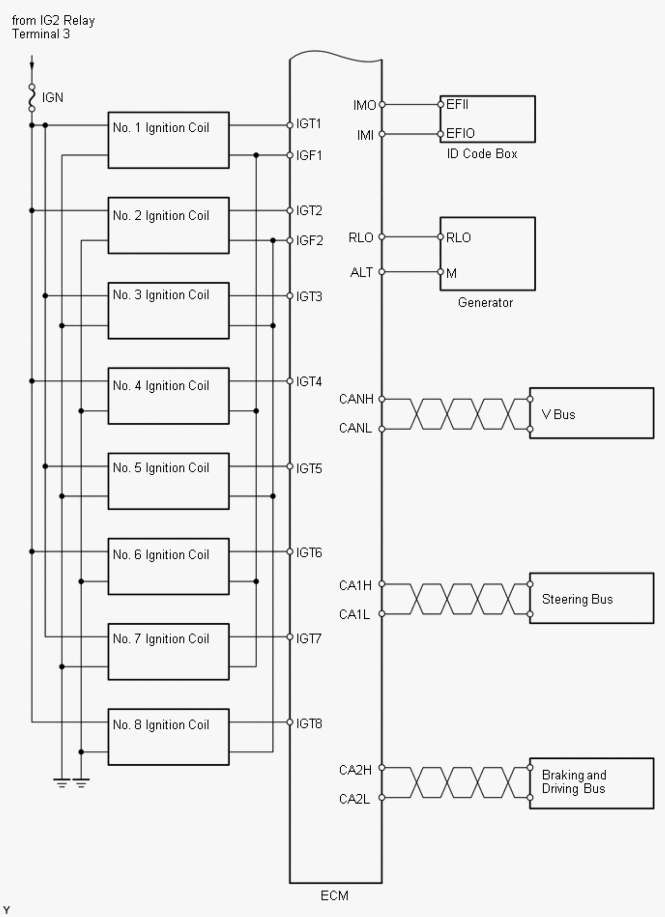
Fig 3: SFI System Diagram (3 Of 7)
GTY619334Courtesy of © TOYOTA, LICENSE AGREEMENT TMS1002
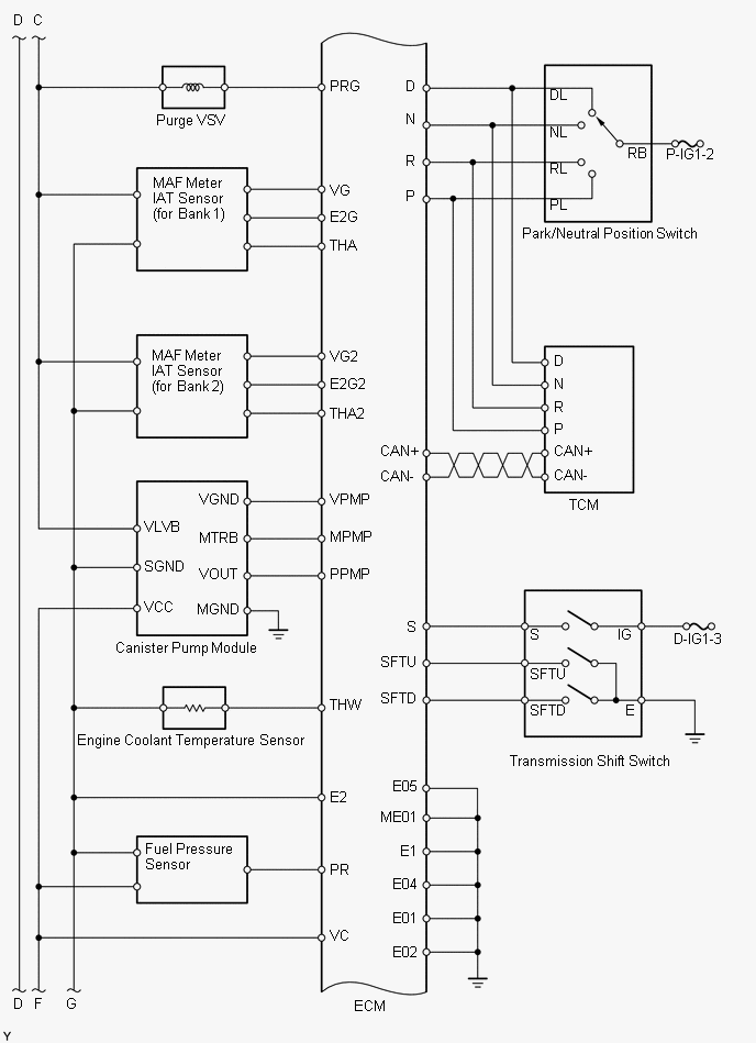
Fig 4: SFI System Diagram (4 Of 7)
GTY639230Courtesy of © TOYOTA, LICENSE AGREEMENT TMS1002
Fig 5: SFI System Diagram (5 Of 7)
GTY628691Courtesy of © TOYOTA, LICENSE AGREEMENT TMS1002
Fig 6: SFI System Diagram (6 Of 7)
GTY662928Courtesy of © TOYOTA, LICENSE AGREEMENT TMS1002
Fig 7: SFI System Diagram (7 Of 7)
GTY649087Courtesy of © TOYOTA, LICENSE AGREEMENT TMS1002