LEMON Manuals: Even more car manuals for everyone
Home >> Lexus >> 2016 >> ES 350 >> Repair and Diagnosis >> Body & Frame >> Door Locks >> Smart Access System (For Entry Function) (Diagnostics - Introduction) >> Smart Access System With Push-Button Start (For Entry Function) >> System Description (07/2015 -) >> System Description (07/2015 -)

System Description (07/2015 -)

  1. SYSTEM DESCRIPTION 

    The following pattern will be used: "Operation" indicates user operation using the smart access system with push-button start. "Expected operation of the vehicle" indicates how a known good vehicle will react in accordance with each operation. "Suspected Area/Diagnosis" indicates suspected malfunctioning areas and tips for each diagnosis if the vehicle did not react as expected.

    1. Example: Operation No.
      Operation -
      Expected operation of the vehicle -
      Waveform or Output Value -
      Suspected Area Diagnosis
      - -
  2. BASIC PRECAUTIONS 
    1. DTC numbers and ECU Data Lists of the smart access system with push-button start can be checked using the Techstream.
    2. Check for DTCs using the following procedure. If any DTCs are output, diagnose those DTCs first.
      1. Connect the Techstream to the DLC3.
      2. Turn the engine switch on (IG).
      3. Enter the following menus: Body Electrical / Smart Access, Power Source Control or Starting Control / Trouble Codes.
    3. When using the Techstream with the vehicle engine switch off, connect the Techstream to the vehicle and turn a courtesy light switch on and off at intervals of 1.5 seconds or less until communication between the Techstream and the vehicle begins. Then select the vehicle type under manual mode and enter the following menus: Body Electrical / Smart Access. While using the Techstream, periodically turn a courtesy light switch on and off at intervals of 1.5 seconds or less to maintain communication between the Techstream and the vehicle.
    4. If cancel is selected for the smart access system with push-button start customize setting, cancel the smart access system with push-button start cancel setting (See page. Refer to CUSTOMIZE PARAMETERS (07/2015 -) ).
  3. DIAGRAM OF SMART ACCESS SYSTEM WITH PUSH-BUTTON START 
    Fig 1: Smart Access System Diagram (With Push-Button Start System) (1 Of 4)
    GTY416704Courtesy of © TOYOTA, LICENSE AGREEMENT TMS1002
    Fig 2: Smart Access System Diagram (With Push-Button Start System) (2 Of 4)
    GTY414957Courtesy of © TOYOTA, LICENSE AGREEMENT TMS1002
    Fig 3: Smart Access System Diagram (With Push-Button Start System) (3 Of 4)
    GTY673263Courtesy of © TOYOTA, LICENSE AGREEMENT TMS1002
    Fig 4: Smart Access System Diagram (With Push-Button Start System) (4 Of 4)
    GTY613422Courtesy of © TOYOTA, LICENSE AGREEMENT TMS1002
  4. MULTI CHANNEL FUNCTION 
    1. The electrical key transmitter sub-assembly and door control receiver can operate on two different RF channels. When an electrical key transmitter sub-assembly is brought within an exterior detection area, key verification begins. If key verification fails due to wave interference, the channel will be switched and key verification will be performed again.

      The multi channel system begins verification using the channel on which the last verification was successfully performed. When verification fails, the system switches to the other channel.

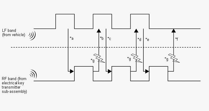
      Fig 5: Smart Access Multi Channel Function Diagram
      GTY659610Courtesy of © TOYOTA, LICENSE AGREEMENT TMS1002
      TEXT IN ILLUSTRATION

      *a Exterior detection areas are created using LF waves (emitted from the vehicle at intervals of 0.25 seconds) to receive a response from the electrical key transmitter sub-assembly.
      *b When the electrical key transmitter sub-assembly is brought into an exterior detection area, it receives LF waves from the vehicle. Using RF waves, the electrical key transmitter sub-assembly responds to the vehicle.
      *c Upon receiving the response from the electrical key transmitter sub-assembly, the certification ECU (smart key ECU assembly) activates the electrical key antennas (outside) one by one. Using LF waves, the certification ECU (smart key ECU assembly) determines which exterior detection area the electrical key transmitter sub-assembly is in.
      *d The electrical key transmitter sub-assembly receives the LF waves from the vehicle and responds using RF waves. (The certification ECU (smart key ECU assembly) recognizes which exterior detection area the electrical key transmitter sub-assembly is in.)
      *e The certification ECU (smart key ECU assembly) sends registered key ID information to the electrical key transmitter sub-assembly using LF waves. (Up to 7 key IDs can be registered.)
      *f The electrical key transmitter sub-assembly sends the key ID information using RF waves. When the certification ECU (smart key ECU assembly) receives it, verification completes.
      *g Wave interference (Channel switching)

      The multi channel system changes the channels when the RF band (*b, *d and *f) is interrupted by wave interference.

      Refer to the table below to confirm when the system changes the channels.

        *b or *d is NG *f is NG
      Condition RF waves cannot be received RF waves cannot be received properly RF waves cannot be received RF waves cannot be received properly
      Channel switching The channels will not be switched. The channels will be switched. The channels will not be switched. The channels will be switched*.
      • *: The channels are not switched during vehicle interior verification after an entry lock operation is performed.

      HINT: 

      When the channels are switched, the history will be stored in the certification ECU (smart key ECU assembly). This history can be read using the Techstream (See page. Refer to OPERATION HISTORY LIST (07/2015 -) ).

  5. SMART ACCESS SYSTEM WITH PUSH-BUTTON START SPECIFICATIONS 
    1. Some customers may inquire about the frequency used by the smart access system with push-button start (for Entry Function) on various models. This repair manual contains the applicable specifications of the smart access system with push-button start (for Entry Function).
      Fig 6: Smart Access Detection Areas
      GTY639118Courtesy of © TOYOTA, LICENSE AGREEMENT TMS1002
      SPECIFICATIONS FOR SMART ACCESS SYSTEM WITH PUSH-BUTTON START ANTENNA LF OUTPUT POWER

        Specification
      Frequency Output Power/Electric Field Intensity Modulation Method Mounting Point in Vehicle
      Inside Passenger Compartment 134.2 kHz 94.4 dBuV/m at 3 m AM Inside front floor
      Inside Luggage Compartment 134.2 kHz 94.4 dBuV/m at 3 m AM Inside Luggage Compartment
      Outside Vehicle 134.2 kHz 95 dBuV/m at 3 m AM Inside door handle
      95 dBuV/m at 3 m AM Inside rear bumper
      SPECIFICATIONS FOR SMART ACCESS SYSTEM WITH PUSH-BUTTON START ANTENNA LF TRANSMISSION TIMING

        Transmission Timing
      Vehicle Remains Parked Entering or Exiting the Vehicle Vehicle is being Driven
      Inside Passenger Compartment Does not transmit
      • Operating door locks
      • Operating engine switch / depressing brake pedal
      • Opening or closing doors
      • With on (IG) or on (ACC), and in the P, closing a door when the electrical key transmitter sub-assembly cannot be detected inside the vehicle (continues for 3 seconds until the electrical key transmitter sub-assembly is detected or the engine switch is turned off)
      • Engine switch is off after driving for more than 20 minutes
      • (Not in P) when shutting the door, if the electrical key transmitter sub-assembly cannot be detected inside the vehicle (Transmits for 3 seconds until the electrical key transmitter sub-assembly is located)
      When electrical key transmitter sub-assembly is not detected inside passenger compartment while car is being driven (transmits for 4 seconds)
      Inside Luggage Compartment Does not transmit
      • Operating door locks / pressing the luggage electrical key switch
      • Closing the luggage compartment door
      • Opening or closing doors
      Does not transmit
      Outside Vehicle (1) When door is locked, transmits at 250 ms intervals (stops when door is unlocked)
      (2) Does not transmit
      (1) Touch the lock sensor
      (2) Luggage electrical key switch is depressed
      (3) Touch the unlock sensor at power saving mode
      Does not transmit
  6. DIAGNOSIS IN ACCORDANCE WITH USER OPERATION 
    1. Operation 1
      Operation Turn the engine switch off and lock all the doors, then take the electrical key transmitter sub-assembly approximately 3 m (9.84 ft.) or more away from the vehicle.
      HINT: 
      The detection area of each electrical key antenna (outside) is formed by emitting a periodic LF band request signal every 0.25 seconds. The detection area formed by each front door outside handle assembly (electrical key antenna) has a detection range of approximately 0.7 m (2.30 ft.).
      Waveform or Output Value Pulse generation (H56-12 (CLG1) - A36-11 (E)*)
    2. Operation 2
      Operation Bring the electrical key transmitter sub-assembly within 0.7 m (2.30 ft.) of the driver door.
      HINT: 
      The system is in unlock standby mode when the electrical key transmitter sub-assembly is in the detection area and the key ID code sent by the electrical key transmitter sub-assembly matches the key ID code stored by the certification ECU (smart key ECU assembly). The door unlocks if the unlock sensor is touched by hand with the system in unlock standby mode.
      Signal transmission: Certification ECU (smart key ECU assembly) → Front door outside handle assembly (electrical key antenna) → Electrical key transmitter sub-assembly → Door control receiver → Certification ECU (smart key ECU assembly) → Main body ECU (multiplex network body ECU)
      Expected operation of the vehicle The electrical key transmitter sub-assembly LED starts blinking. If it does not, check the suspected areas in the following table.
      Waveform or Output Value
      • Pulse generation (H56-12(CLG1) - A36-11(E)*)
      • Pulse generation (Q1-5(RCO) - A36-11(E)*)
      • Pulse generation (Q1-17(RDAM) - A36-11(E)*)
      • Pulse generation (Q1-6(CESL) - A36-11(E)*)
      Suspected Area Diagnosis
      Electrical key transmitter sub-assembly
      • The key ID code sent by the electrical key transmitter sub-assembly does not match the key ID code stored in the certification ECU (smart key ECU assembly). Use another electrical key transmitter sub-assembly to check the operation.
      • If the LED of the electrical key transmitter sub-assembly does not blink when it is brought within 0.7 m (2.30 ft.) of the driver door, perform the following procedure.

        Press the lock and unlock switches of the electrical key transmitter sub-assembly to check the operation. If the doors can be locked and unlocked, that means the detection area has not been formed. Parts other than the electrical key transmitter sub-assemblies and front door outside handle assemblies may be malfunctioning.

      • If the electrical key transmitter sub-assembly malfunctions, the engine cannot be started and the engine switch cannot be turned on (ACC or IG). Under normal operation, "Power On" is displayed on the multi-information display in the combination meter assembly when the engine switch is pressed with the electrical key transmitter sub-assembly in the driver seat, the shift lever in P and the brake pedal not depressed.
      HINT: 
      • If the door cannot be opened, use the mechanical key installed in the electrical key transmitter sub-assembly to open the door.
      • Before replacing the electrical key transmitter sub-assembly, check if the transmitter battery is depleted.
      Transmitter battery is depleted
      • Press and hold the lock switch of the electrical key transmitter sub-assembly for 5 seconds and check the number of times that the transmitter LED blinks. If the transmitter LED does not blink or blinks only once or twice, the transmitter battery may be depleted. If the transmitter LED does not blink at all, the electrical key transmitter sub-assembly may be malfunctioning.
      • If the transmitter battery voltage at the time the electrical key transmitter sub-assembly sends a signal drops to 2.2 V or less, "Yes" is displayed for "Key Low Battery" in the Data List.
      • If the transmitter battery voltage drops to 2.0 V or lower, operation cannot be assured.

        HINT: 

        The output of the electrical key transmitter sub-assembly will decrease if it is in low temperatures.

      • When the transmitter battery is depleted, the engine cannot be started and the engine switch cannot be turned on (ACC or IG). If the electrical key transmitter sub-assembly is held near the engine switch, the engine can be started.
      • Make sure that the transmitter battery type and installation direction are correct.
      Wave Interference
      • If the problem occurs in certain locations or times of day, the possibility of wave interference is high.
      • When the electrical key transmitter sub-assembly is malfunctioning, the transmitter battery is depleted, an electrical key transmitter sub-assembly from another vehicle has been used or wave interference is suspected. "Yes" may be displayed for any of the following Data List items: "Unmatch Code or Form", "No Response", "ID Code Difference" or "Unmatched Vehicle-ID"
      Certification ECU (smart key ECU assembly) -
      Front door outside handle assembly Vehicle exterior detection area is not formed properly.
      • If the electrical key transmitter sub-assembly LED does not blink within 0.7 m (2.30 ft.) of the front door outside handle assembly of the driver door, but blinks within 0.7 m (2.30 ft.) of the front passenger door, the front door outside handle assembly of the driver door may be malfunctioning.
      • Even if the vehicle exterior detection area is not formed properly, the engine switch can be turned on (ACC) and the engine can be started.
      • Formation of the vehicle exterior detection area can be confirmed by using the Techstream (See page. Refer to OPERATION CHECK (07/2015 -) ).
      • Even if the vehicle exterior detection area is not formed properly, the doors can be unlocked by pressing the unlock switch of the electrical key transmitter sub-assembly.
      Door Control Receiver
      • If the door control receiver is malfunctioning, it is not possible to unlock the front passenger door.
      • If the door control receiver is malfunctioning, it is not possible to unlock the doors by a wireless unlock operation.
      • If the door control receiver is malfunctioning, the engine cannot be started and the engine switch cannot be turned on (ACC or IG) unless in an emergency.
      • Formation of the vehicle exterior detection area can be confirmed by using the Techstream (See page. Refer to OPERATION CHECK (07/2015 -) ).
      Vehicle Battery is discharged It may be possible to tell whether the vehicle battery is discharged by operating the horn.
      Others
      • If the smart access system with push-button start function has been canceled through the customize function, the detection area cannot be formed, therefore the electrical key transmitter sub-assembly LED will not blink even if the electrical key transmitter sub-assembly is brought near a front door outside handle assembly.
      • If the electrical key transmitter sub-assembly is in battery saving mode, even if it receives LF waves from the vehicle, it does not respond using RF waves, therefore the electrical key transmitter sub-assembly LED does not blink.
      • In the smart access system with push-button start, if the electrical key transmitter sub-assembly is constantly in the exterior detection area of one of the doors, the transmitter battery could be drained. For this reason, if this state continues longer than 10 minutes, the smart access system with push-button start automatically deactivates the exterior detection area that the electrical key transmitter sub-assembly is in.
      • If the electrical key transmitter sub-assembly is left in the vehicle and the doors are locked using another electrical key transmitter sub-assembly, the electrical key transmitter sub-assembly LED will not blink even if it is brought near a front door outside handle assembly.
    3. Operation 3
      Operation Touch the unlock sensor of the driver door with the electrical key transmitter sub-assembly in the exterior detection area.
      Expected operation of the vehicle While the doors are unlocked, the answer-back is performed at the same time. If they do not, check the suspected areas in the following table.
      Waveform or Output Value
      • Pulse generation (H56-22 (SEN1) - A36-11 (E)*)
      • Tester connection (instrument panel junction block assembly (ACT-) - body ground)*
      Suspected Area Diagnosis
      The suspected parts below overlap with the parts covered in operation 2 for when the electrical key transmitter sub-assembly LED does not blink. -
      Front door outside handle assembly (unlock sensor)
      • If the doors can be unlocked by touching the unlock sensor of the front passenger door while carrying the electrical key transmitter sub-assembly, the unlock sensor of the driver door may be malfunctioning.
      • Under normal operation, "ON" is displayed for the Data List item "D-Door Touch Sensor" when the unlock sensor is touched.
      Door lock/unlock mechanism If a door cannot be locked/unlocked by operating the door control switch on the door in the cabin, the door lock mechanism is malfunctioning.
    4. Operation 4
      Operation After getting into the vehicle while carrying the electrical key transmitter sub-assembly, close the door and press the engine switch once with the shift lever in P while not depressing the brake pedal.
      Expected operation of the vehicle
      • The smart warning light in the combination meter assembly blinks green slowly, and the engine switch is turned on (ACC).
      • The blinking security indicator light goes off, and then the set immobiliser function cancels, allowing the vehicle to be driven.
      • The steering is unlocked.
      If any of the preceding did not happen, check the suspected areas in the following table.HINT: When the engine switch is pressed, the indoor electrical key antenna forms a key detection area inside the vehicle and detects the electrical key transmitter sub-assembly in the cabin. The electrical key transmitter sub-assembly sends the ID code upon receiving a request signal and the electrical key transmitter sub-assembly LED illuminates for a short time. After pressing the engine switch, if the key ID code sent by the electrical key transmitter sub-assembly matches the key ID code stored by the certification ECU (smart key ECU assembly), the ACC relay turns on and the smart warning light in the combination meter assembly "Power On" is displayed on the multi-information display in the combination meter assembly. Then after the power source mode has changed, L code and S code verification has been completed, the steering will be unlocked and the immobiliser will be inactive. Then the Data List status of "Immobiliser" will be changed from "Set" to "Unset".Signal transmission: Certification ECU (smart key ECU assembly) → Indoor electrical key antenna → Electrical key transmitter sub-assembly → Certification ECU (smart key ECU assembly)HINT: The interior detection area is formed when any of the following conditions are met:
      • Within approximately 30 seconds after any of the doors have been closed and opened.
      • Within approximately 30 seconds after any of the doors have been opened and closed.
      • The brake pedal is depressed.
      • Within approximately 30 seconds after the brake pedal has been depressed.
      • Right after the engine switch is pressed.
      Waveform or Output Value
      • Pulse generation (Q1-17(RDAM) - A36-11(E)*)
      • Pulse generation (Q1-3(CLG4) - A36-11(E)*)
      Suspected Area Diagnosis
      Certification ECU (smart key ECU assembly) -
      Wave Interference
      • If malfunctions occur at a specific location/time, wave interference may be the cause.
      • If wave interference is suspected in the cabin, disconnect all the connectors of electronic devices besides standard equipment, or remove the electronic devices and check for noise.
      Indoor electrical key antenna assemblies that form the interior detection areas
      • If the interior detection areas are not formed properly, the engine cannot be started and the engine switch cannot be turned on (ACC or IG). If the electrical key transmitter sub-assembly is held near the engine switch in an emergency, the engine can be started.
      • Using the Techstream, enter key diagnostic mode to forcibly form the interior detection area. If the electrical key transmitter sub-assembly is brought near the area, short beeps sound (See page. Refer to OPERATION CHECK (07/2015 -) ).
      Engine switch Under normal operation, after the engine switch is pressed, "ON" is displayed for the Data List items "Start Switch1" and "Start Switch2".
      ID code box (immobiliser code ECU) In order to unlock the steering, it is necessary for "S Code Check" in the Date List to display "OK". If "S Code Check" displays "OK", the certification ECU (smart key ECU assembly) code and ID code box (immobiliser code ECU) code match.
      Steering lock ECU (steering lock actuator assembly)
      • If "OK" is displayed for the Data List item "L Code Check" and "S Code Check" when the engine switch is turned on (ACC), power will be supplied to the steering motor for approximately 10 seconds. Then the ECU sends an unlock signal to the steering motor and the Data List item "Unlock Request Receive" temporarily changes from "NG" to "OK". After the steering unlocks, the ECU receives the unlocked signal from the steering motor and the Data List item "Steering Unlock" changes from "Unset" to "Set".
      • In order to unlock the steering, it is necessary that "OK" is displayed for the Data List item "L Code Check" (the ID code stored in the steering lock ECU (steering lock actuator assembly) matches that of the ID code box (immobiliser code ECU)).

      HINT: 

      The electrical key transmitter sub-assembly, the transmitter battery and the vehicle battery should have already been inspected in the previous operation steps. However, if they have not been inspected, inspect them.

    5. Operation 5
      Operation Depress the brake pedal with the shift lever in P while carrying an electrical key transmitter sub-assembly.
      Expected operation of the vehicle The smart warning light appears on the multi-information display. If it does not, check the suspected areas in the following table.
      Suspected Area Diagnosis
      Stop light switch assembly If the brake pedal is depressed, "ON" is displayed for the Data List item "Stop Light Switch1".
      Certification ECU (smart key ECU assembly) Start function-Terminals of ECU (See page. Refer to TERMINALS OF ECU (07/2015 -) )
    6. Operation 6
      Operation After getting into the vehicle while carrying the electrical key transmitter sub-assembly, press the engine switch with the shift lever in P while depressing the brake pedal.
      Expected operation of the vehicle The engine starts. If it does not, check the suspected areas in the following table.
      HINT: 
      If the engine switch is pressed with the steering unlocked, 12 V will be supplied from terminal STAR of the certification ECU (smart key ECU assembly) to the ST relay.
      Suspected Area Diagnosis
      Steering lock system Under normal operation, the steering will be unlocked and "ON" is displayed for the Data List item "Steering Unlock Switch".
      Certification ECU (smart key ECU assembly) The Data List item "Starter SW" is an instruction to operate the starter. If this turns "ON", 12 V will be supplied from terminal STAR of the certification ECU (smart key ECU assembly) to the ST relay.
      Starter relay The Data List item "Starter Relay" indicates the voltage at the STA terminal of the certification ECU (smart key ECU assembly). This indicates whether voltage is being supplied to the ST relay.
      Starter -
      Vehicle Battery is discharged Whether the vehicle battery is discharged or not can be checked easily by operating the horn.
    7. Operation 7
      Operation Press the engine switch.
      Expected operation of the vehicle The engine stops, the smart warning light illuminates green and then goes off and the security indicator light changes from off to blinking.
    8. Operation 8
      Operation Open any of the doors with the engine switch off.
      Expected operation of the vehicle The steering locks. check the suspected areas in the following table.
      Suspected Area Diagnosis
      Steering lock system -
      Door courtesy light switch assembly When any of the doors are opened, "ON" is displayed for the Data List item "FL Door Courtesy SW".
    9. Operation 9
      Operation Touch the lock sensor of the driver door outside handle assembly while carrying the electrical key transmitter sub-assembly.
      Expected operation of the vehicle Answer-back is performed at the same time when the doors are locked.
  7. VEHICLE BATTERY SAVING FUNCTION 
    1. When the smart access system with push-button start is operating, the vehicle performs key detection operations every 0.25 seconds. Therefore, if the vehicle is left as is for a long period of time, the vehicle battery may become fully discharged. The following controls help reduce the rate at which the vehicle battery is discharged.
      1. If the smart access system with push-button start is not operated for 5 days or more, periodic signal transmission from the electrical key antennas stops. However, the doors can still be unlocked by touching the unlock sensor of any door outside handle assembly.
      2. If the smart access system with push-button start is not operated for 14 days or more, the lock and unlock sensors other than those on the front door outside handle of the driver door are disabled. Therefore, only the unlock sensor of the front door outside handle assembly of the driver door can be used to unlock the doors.
      3. If 10 minutes or more elapse while the electrical key transmitter sub-assembly is in an exterior detection area, the front door outside handle assembly (electrical key antenna) detecting the electrical key transmitter sub-assembly will stop operating.
    2. To restore operation of the smart access system with push-button start, perform any of the following operations.
      1. While carrying the electrical key transmitter sub-assembly, touch the lock or unlock sensor of the front door outside handle assembly of the driver door and perform a door lock or unlock operation.
      2. Lock or unlock the doors with the wireless operation.
      3. Insert the mechanical key into the door key cylinder of the driver door and lock or unlock the doors.
  8. WIRELESS DOOR LOCK BUZZER VOLUME ADJUSTMENT FUNCTION 
    1. The volume of the wireless door lock buzzer can be changed through the customize function.

      HINT: 

      The volume of the following wireless door lock buzzer operations cannot be adjusted.

      • Warning function buzzer operations
      • Customize function buzzer operations
      • Buzzer operations for key diagnostic mode using the Techstream
      • Key registration buzzer operations
  9. WARNING FUNCTION 
    1. Warning
      1. When any of the situations below occur, the smart access system with push-button start causes the certification ECU (smart key ECU assembly) to sound the wireless door lock buzzer and a buzzer in the combination meter assembly and display a message on the multi-information display in order to alert the driver.
      2. Situation: The engine is left running and the shift lever is in a position other than P when the driver gets out of the vehicle.
        • There are 2 patterns for this situation.
          • Pattern 1:

            When the engine is left running and the shift lever is in a position other than P, the driver opens the door and attempts to get out of the vehicle.

            In this situation, the following control is performed:

            Possible effects without warning Sudden vehicle start, vehicle theft, vehicle roll-away
            Warning Start Condition
            (All conditions are met)
            • The engine switch is on (ACC) or on (IG).
            • The shift lever is in a position other than P.
            • The driver door is opened.
            • The vehicle speed is 0 km/h (0 mph).
            Warning description
            • Buzzer in the combination meter assembly sounds continuously.
            • "Shift to P Before Exiting Vehicle" is displayed on the multi-information display in the combination meter assembly.
            Warning Stop Condition
            (One condition is met)
            • The engine switch is turned off.
            • The shift lever is in P.
            • The driver door is closed.
            • The vehicle speed is 5 km/h (3.11 mph) or more.
          • Pattern 2:

            Under the situation of pattern 1, the driver closes the door and attempts to leave the vehicle while holding the electrical key transmitter sub-assembly.

            In this situation, the following control is performed:

            Possible effects without warning Sudden vehicle start, vehicle theft, vehicle roll-away
            Warning Start Condition
            (All conditions are met)
            • The engine switch is on (ACC) or on (IG).
            • The shift lever is in a position other than P.
            • The driver door is opened → closed.
            • The electrical key transmitter sub-assembly is not in the vehicle.
            • The vehicle speed is 0 km/h (0 mph).
            Warning description
            • Buzzer in the combination meter assembly sounds continuously.
            • Wireless buzzer sounds continuously.
            • "Shift to P Before Exiting Vehicle" is displayed on the multi-information display in the combination meter assembly.[A]
            • "Key not detected. Check key location." is displayed on the multi-information display in the combination meter assembly.[B]
            Warning Stop Condition
            (One condition is met)
            • The engine switch is turned off ([A] continues to be displayed).
            • Electrical key transmitter sub-assembly is returned to the vehicle ([A] continues to be displayed).
            • The vehicle speed is 5 km/h (3.11 mph) or more. ([B] continues to be displayed).
            • The shift lever is in P ([B] continues to be displayed).
      3. Situation: The key reminder sounds.
        • When the driver door is open, the driver turns the engine switch on (ACC) and attempts to leave the vehicle.
          Possible effects without warning Vehicle theft
          Warning Start Condition
          (Either Condition 1 or 2 is met)
          Condition 1
          • The shift lever is in P.
          • The engine switch is on (ACC).
          • The driver door is opened.
          Condition 2 (Approval for one second or more)
          • The shift lever is in P.
          • The engine switch is off.
          • The steering is unlocked.
          • The driver door is opened.
          Warning description
          • Buzzer in the combination meter assembly sounds continuously at short and even intervals.
          Warning Stop Condition
          (One condition is met)
          The warning is stopped when one of the following conditions is met:
          • The engine switch is turned on (IG).
          • The driver door is closed.
          • The engine switch is turned off and the steering is locked.
      4. Situation: The engine is left running with the shift lever in P when the driver gets out of the vehicle.
        • There are 2 patterns for this situation.
          • Pattern 1:

            When the engine is left running with the shift lever in P, the driver closes the driver door and attempts to leave the vehicle while carrying the electrical key transmitter sub-assembly.

            In this situation, the following control is performed:

            Possible effects without warning Vehicle theft, engine cannot be restarted, discharged vehicle battery
            Warning Start Condition
            (All conditions are met)
            • The engine switch is on (ACC) or on (IG).
            • The shift lever is in P.
            • The driver door is opened → closed.
            • The electrical key transmitter sub-assembly is not in the vehicle.
            • The vehicle speed is 0 km/h (0 mph).
            Warning description
            • Buzzer in the combination meter assembly sounds once.
            • Wireless buzzer sounds 3 times.
            • "Key not detected. Check key location." is displayed on the multi-information display in the combination meter assembly.
            Warning Stop Condition
            (Either condition is met)
            • The engine switch is turned off.
            • The electrical key transmitter sub-assembly is returned to the vehicle.
          • Pattern 2:

            Under the situation of pattern 1, the driver touches the lock sensor on the door outside handle assembly.

            In this situation, the following control is performed:

            Possible effects without warning Vehicle theft, engine cannot be restarted, discharged vehicle battery
            Warning Start Condition
            (All conditions are met)
            • The engine switch is on (ACC) or on (IG).
            • The shift lever is in P.
            • The electrical key transmitter sub-assembly is not in the interior detection areas.
            • The electrical key transmitter sub-assembly is in the exterior detection areas.
            • The lock sensor is on.
            • The vehicle speed is 0 km/h (0 mph).
            Warning description
            • Buzzer in the combination meter assembly sounds once.
            • Wireless buzzer sounds continuously.
            • "Turn Off Vehicle" is displayed on the multi-information display in the combination meter assembly for 60 seconds.[A]
            • "Key not detected. Check key location." is displayed on the multi-information display in the combination meter assembly.[B]
            Warning Stop Condition
            (One condition is met)
            • The engine switch is turned off.
            • With the shift lever in P, the shift lever is moved to a position other than P ([B] continues to be displayed).
            • The vehicle speed is 5 km/h (3.11 mph) or more ([B] continues to be displayed).
            • 5 seconds have elapsed after the wireless door lock buzzer is activated (only wireless buzzer stops).
            • Any door is opened or closed (only wireless buzzer stops).
            • Electrical key transmitter sub-assembly is returned to the vehicle ([A] continues to be displayed).
      5. Situation: The engine is left running when a passenger gets out of the vehicle while carrying the electrical key transmitter sub-assembly.
        • When the engine is left running, a passenger leaves the vehicle while carrying the electrical key transmitter sub-assembly.

          In this situation, the following control is performed:

          Possible effects without warning Engine cannot be restarted
          Warning Start Condition
          (All conditions are met)
          • The engine switch is on (ACC) or on (IG).
          • A door other than the driver door is opened → closed.
          • The electrical key transmitter sub-assembly is not in the vehicle.
          • The vehicle speed is 0 km/h (0 mph).
          Warning description
          • Buzzer in the combination meter assembly sounds once.
          • Wireless buzzer sounds 3 times.
          • "Key not detected. Check key location." is displayed on the multi-information display in the combination meter assembly.
          Warning Stop Condition
          (Either condition is met)
          • The engine switch is turned off.
          • The electrical key transmitter sub-assembly is returned to the vehicle.
      6. Situation: The electrical key transmitter sub-assembly is not in the detection areas.
        • When the electrical key transmitter sub-assembly is not in the interior vehicle or the transmitter battery is depleted, the driver attempts to start the engine or turn the engine switch on (IG).

          In this situation, the following control is performed:

          Possible effects without warning Confuses the user
          Warning Start Condition
          (All conditions are met)
          • A door is not unlocked using the mechanical key and the engine switch is pressed.
          • The electrical key transmitter sub-assembly is not in the vehicle or the transmitter battery is depleted.
          • The immobiliser system is set.
          Warning description
          • Buzzer in the combination meter assembly sounds once.
          • "Key not detected. Check key location." is displayed on the multi-information display in the combination meter assembly for 15 seconds.
          Warning Stop Condition
          (Either condition is met)
          • The electrical key transmitter sub-assembly is returned to the vehicle.
          • 30 seconds have elapsed after the door is opened
      7. Situation: The vehicle is driven without a registered electrical key transmitter sub-assembly.

        In this situation, the following control is performed:

        Possible effects without warning Engine cannot be restarted
        Warning Start Condition
        (All conditions are met)
        • The engine switch is on (IG).
        • Warning indicating that the electrical key transmitter sub-assembly is being brought out of vehicle is output.
        • The vehicle speed is 5 km/h (3.11 mph) or more.
        • The electrical key transmitter sub-assembly is not in the vehicle.
        Warning description
        • Buzzer in the combination meter assembly sounds nine times.
        • "Key not detected. Check key location." is displayed on the multi-information display in the combination meter assembly.
        Warning Stop Condition
        (Either condition is met)
        • The engine switch is turned off.
        • The electrical key transmitter sub-assembly is returned to the vehicle.
      8. Situation: The electrical key transmitter sub-assembly is left in the vehicle.
        • The lock sensor on a door outside handle assembly is touched to perform entry lock with the electrical key transmitter sub-assembly left in the vehicle.

          In this situation, the following control is performed:

          Possible effects without warning Vehicle theft
          Warning Start Condition
          (All conditions are met)
          • The engine switch is off.
          • All doors are closed.
          • The electrical key transmitter sub-assembly is in the vehicle.
          • The lock sensor on a door outside handle assembly is on (touched).
          • Any door is unlocked.
          • The vehicle speed is 0 km/h (0 mph).
          Warning description
          • Wireless buzzer sounds continuously for 5 seconds.
          • "Key Left inside Vehicle" is displayed on the multi-information display in the combination meter assembly for 60 seconds.
          Warning Stop Condition
          (One condition is met)
          • The engine switch is turned to a mode other than off.
          • The vehicle speed is 5 km/h (3.11 mph) or more.
          • Lock operation is detected.
          • Any door is opened (only wireless buzzer stops).
      9. Situation: Door is ajar.
        • The lock sensor on the door outside handle assembly is touched to perform entry lock with a door open.

          In this situation, the following control is performed:

          Possible effects without warning Vehicle theft
          Warning Start Condition
          (All conditions are met)
          • The engine switch is off.
          • Any door other than the door that performed the entry lock operation is open.
          • The lock sensor is on or lock switch is pressed on the electrical key transmitter sub-assembly.
          • The electrical key transmitter sub-assembly is in the exterior detection areas.
          Warning description
          • Wireless buzzer sounds continuously for 5 seconds.
          Warning Stop Condition
          (One condition is met)
          • The engine switch is turned to a mode other than off.
          • All doors are closed.
          • An unlock operation is performed using the wireless door lock remote function.
          • The touch sensor on the inner side of a door outside handle assembly is used to perform entry unlock.
      10. Situation: The electrical key transmitter sub-assembly is left in the luggage compartment door.
        • The luggage compartment door is closed with the electrical key transmitter sub-assembly left in the luggage compartment.

          In this situation, the following control is performed:

          Possible effects without warning Vehicle theft
          Warning Start Condition
          (All conditions are met)
          • The vehicle speed is 0 km/h (0 mph).
          • Entry luggage compartment open function is available.
          • All doors are closed and all doors are locked or the state where the doors are waiting to open after an unlock operation.
          • The luggage compartment door is opened → closed.
          • The electrical key transmitter sub-assembly is in the luggage compartment.
          Warning description
          • Wireless buzzer sounds continuously for 5 seconds.
          Warning Stop Condition
          (Either condition is met)
          • The vehicle speed is 5 km/h (3.11 mph) or more.
          • The luggage compartment door is opened.
      11. Situation: The electrical key transmitter sub-assembly is locked inside the vehicle.
        • With a door open and the electrical key transmitter sub-assembly in the vehicle, the lock knob is locked and then the door is closed with the door handle being pulled.

          In this situation, the following control is performed:

          Possible effects without warning Vehicle theft
          Warning Start Condition
          (All conditions are met)
          • With a door open, the lock knob is locked and then the door is closed with the door handle being pulled.
          • The electrical key transmitter sub-assembly is in the vehicle.
          • The vehicle speed is 0 km/h (0 mph).
          Warning description
          • Buzzer in the combination meter assembly sounds once.
          • Wireless buzzer sounds continuously for 5 seconds.
          • "Key Left inside Vehicle" is displayed on the multi-information display in the combination meter assembly for 60 seconds.
          Warning Stop Condition
          (One condition is met)
          • The engine switch is turned to a mode other than off.
          • Any door is opened (only wireless buzzer stops).
          • Lock operation is detected.
          • The vehicle speed is 5 km/h (3.11 mph) or more.
      12. Situation: The transmitter battery is weak.
        • The vehicle is driven using an electrical key transmitter sub-assembly that has a low transmitter battery.

          In this situation, the following control is performed:

          Possible effects without warning Depleted transmitter battery, engine cannot be restarted
          Warning Start Condition
          (Either Condition 1 or 2 is met)
          Condition 1
          • The engine switch is turned off after being left on (IG) for more than 20 minutes.
          • The transmitter battery voltage is low.
          • The electrical key transmitter sub-assembly is in the vehicle.
          • The vehicle speed is 0 km/h (0 mph).
          Condition 2
          • The engine is off → the engine is started.
          • The transmitter battery voltage is low.
          • The electrical key transmitter sub-assembly is in the vehicle.
          • The vehicle speed is 0 km/h (0 mph).
          • Condition 1 has been met. (past)
          Warning description
          • Buzzer in the combination meter assembly sounds once.
          • "Key Battery Low" is displayed on the multi-information display in the combination meter assembly for 15 seconds.
          Warning Stop Condition
          (Either condition is met)
          • The vehicle speed is 5 km/h (3.11 mph) or more.
          • The transmitter battery is replaced with a new one.
      13. Situation: The steering wheel cannot be released.
        • The steering wheel cannot be released, thus the engine is prevented from starting.

          The shift lever is moved to a position other than P before the steering is unlocked.

          In this situation, the following control is performed:

          Possible effects without warning User does not notice that the steering is locked
          Warning Start Condition
          • Steering cannot be unlocked.
          Warning description
          • Buzzer in the combination meter assembly sounds once.
          • "Steering Lock active" is displayed on the multi-information display in the combination meter assembly for 15 seconds.
          Warning Stop Condition
          • Steering is unlocked.
      14. Situation: The smart access system with push-button start is malfunctioning.
        • An IG circuit malfunction, vehicle speed signal malfunction or a malfunction that interferes with the steering lock ECU (steering lock actuator assembly) operation, has been detected.

          In this situation, the following control is performed:

          Possible effects without warning Malfunction cannot be detected
          Warning Start Condition
          (One condition is met)
          • The steering lock ECU (steering lock actuator assembly), driver of the certification ECU (smart key ECU assembly) or unlock detection switch is malfunctioning.
          • An IG relay output circuit malfunction occurs three times or more consecutively.
          • The vehicle speed is judged as abnormal or vehicle speed signal communication is malfunctioning.
          Warning description
          • Buzzer in the combination meter assembly sounds once.
          • "Check Access System with Elec. Key" is displayed on the multi-information display in the combination meter assembly for 15 seconds.
          Warning Stop Condition
          • The system returns to normal.
      15. Situation: The engine does not start. (Situation A)
        • When the engine switch is pressed, the electrical key transmitter sub-assembly cannot be detected in the vehicle two times in a row.

          In this situation, the following control is performed:

          Possible effects without warning Engine cannot be restarted
          Warning Start Condition
          (One condition is met)
          • The immobiliser system is set.
          • The electrical key transmitter sub-assembly is not in the vehicle.
          • Key code verification error occurs when the engine switch is pressed twice or the driver door key linked unlock operation is performed.
          Warning description
          • Buzzer in the combination meter assembly sounds once.
          • "Depress Brake and Then Touch Key to Engine Switch" is displayed on the multi-information display in the combination meter assembly for 60 seconds.
          Warning Stop Condition
          (Either condition is met)
          • The electrical key transmitter sub-assembly is returned to the vehicle.
          • 30 seconds have elapsed after the door is opened
      16. Situation: The engine does not start. (Situation B)
        • There are two patterns for this situation.
          • Pattern 1:

            A warning message appears on the multi-information display when the driver does not follow the proper procedure to start the vehicle.

            In this situation, the following control is performed:

            Possible effects without warning Engine cannot be restarted
            Warning Start Condition
            (All conditions are met)
            • The engine switch is off.
            • Driver door is closed → opened.
            • The engine switch is turned from off to on (ACC) more than twice with the engine off and the brake pedal not depressed.
            Warning description
            • Buzzer in the combination meter assembly sounds once.
            • "Depress brake and then start engine." is displayed on the multi-information display in the combination meter assembly for 5 seconds.
            Warning Stop Condition
            (Either condition is met)
            • The engine switch is turned off.
            • The engine switch is turned on (IG).
          • Pattern 2:

            A message indicating how to start the engine appears on the multi-information display when the shift lever is in a position in which the engine cannot be started.

            In this situation, the following control is performed:

            Possible effects without warning Engine cannot be restarted
            Warning Start Condition
            (All conditions are met)
            • The engine is stopped.
            • The vehicle speed is 0 km/h (0 mph).
            • More than 0.5 seconds have elapsed after the engine switch is turned on (IG).
            • The shift lever is in a position other than P.
            • The starter is not operating.
            Warning description
            • Buzzer in the combination meter assembly sounds once.
            • "To Start Vehicle, Put Shift Lever into P" is displayed on the multi-information display in the combination meter assembly.
            Warning Stop Condition
            (One condition is met)
            • The shift lever is in P.
            • The vehicle speed is 5 km/h (3.11 mph) or more.
            • The power source mode is changed to any mode other than on (IG).
            • The engine is started.
      17. Situation: The engine switch cannot be turned off.
        • There are 2 patterns for this situation.
          • Pattern 1:

            A warning message appears on the multi-information display when the driver attempts to turn the engine switch off with the shift lever in any position other than P or N

            In this situation, the following control is performed:

            Possible effects without warning Discharged vehicle battery, vehicle roll-away
            Warning Start Condition
            • Shift lever in any position other than P or N.
            • Even though the engine switch is pressed, the power source mode does not change to off (excluding emergency stop operation).
            Warning description
            • Buzzer in the combination meter assembly sounds once.
            • "Shift to P Before Exiting Vehicle" is displayed on the multi-information display in the combination meter assembly.
            Warning Stop Condition
            (Either condition is met)
            • The engine switch is turned to a mode other than on (ACC).
            • The shift lever is moved to P.
          • Pattern 2:

            Under the situation of pattern 1, the shift lever is moved to P.

            In this situation, the following control is performed:

            Possible effects without warning Discharged vehicle battery, vehicle roll-away
            Warning Start Condition
            • The shift lever is moved to P.
            Warning description
            • Buzzer in the combination meter assembly sounds once.
            • "Turn Off Vehicle" is displayed on the multi-information display in the combination meter assembly.
            Warning Stop Condition
            (Either condition is met)
            • The power source mode is changed to a mode other than on (ACC).
            • The shift lever is in any position other than P.
      18. Situation: Auto power off operation occurs.
        • A warning message appears on the multi-information display when automatic power off operation occurs.

          In this situation, the following control is performed:

          Possible effects without warning Discharged vehicle battery
          Warning Start Condition
          (All conditions are met)
          • The shift lever is in P.
          • The engine switch is on (ACC) or on (IG).
          • The vehicle speed is 0 km/h (0 mph).
          • The engine is stopped.
          • The power source control system is turned off by automatic power off function.
          Warning description
          • "Power Turned Off to Save Battery" is displayed on the multi-information display in the combination meter assembly for 10 seconds.
          Warning Stop Condition
          • The engine switch is on (ACC) or on (IG).
      19. Situation: Immobiliser system certification completion occurs.
        • When an electrical key transmitter sub-assembly with a depleted transmitter battery is held near the engine switch while depressing the brake.

          In this situation, the following control is performed:

          Possible effects without warning Malfunction cannot be detected
          Warning Start Condition
          • Electrical key transmitter sub-assembly certification result is OK.
          Warning description
          • Buzzer in the combination meter assembly sounds once.
          • "Depress brake and then start engine." is displayed on the multi-information display in the combination meter assembly for 10 seconds.
          Warning Stop Condition
          (One condition is met)
          • The electrical key transmitter sub-assembly is detected by the vehicle.
          • The engine speed is 500 rpm or more.
          • The engine is started.
          • The immobiliser system is set and key recognition is stopped or the key cannot be recognized.