LEMON Manuals: Even more car manuals for everyone
Home >> Lexus >> 2016 >> ES 300h >> Repair and Diagnosis (Single Page) >> Engine Performance >> System >> Engine Control System (Diagnostics - Introduction) >> SFI System >> System Diagram [07/2015 - ] >> System Diagram [07/2015 - ]

System Diagram [07/2015 - ]

Fig 1: Engine Control System Wiring Diagram (1 Of 4)
GTY633666Courtesy of © TOYOTA, LICENSE AGREEMENT TMS1002
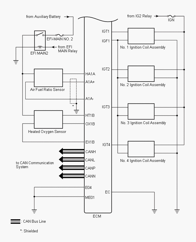
Fig 2: Engine Control System Wiring Diagram (2 Of 4)
GTY382397Courtesy of © TOYOTA, LICENSE AGREEMENT TMS1002
Fig 3: Engine Control System Wiring Diagram (3 Of 4)
GTY406281Courtesy of © TOYOTA, LICENSE AGREEMENT TMS1002
Fig 4: Engine Control System Wiring Diagram (4 Of 4)
GTY629046Courtesy of © TOYOTA, LICENSE AGREEMENT TMS1002