LEMON Manuals: Even more car manuals for everyone
Home >> Lexus >> 2015 >> RX 350 Base, AWD >> Repair and Diagnosis >> Engine Performance >> System >> Engine Control System - Diagnostics - Introduction >> SFI System >> System Diagram [03/2014 - ] >> System Diagram [03/2014 - ]

System Diagram [03/2014 - ]

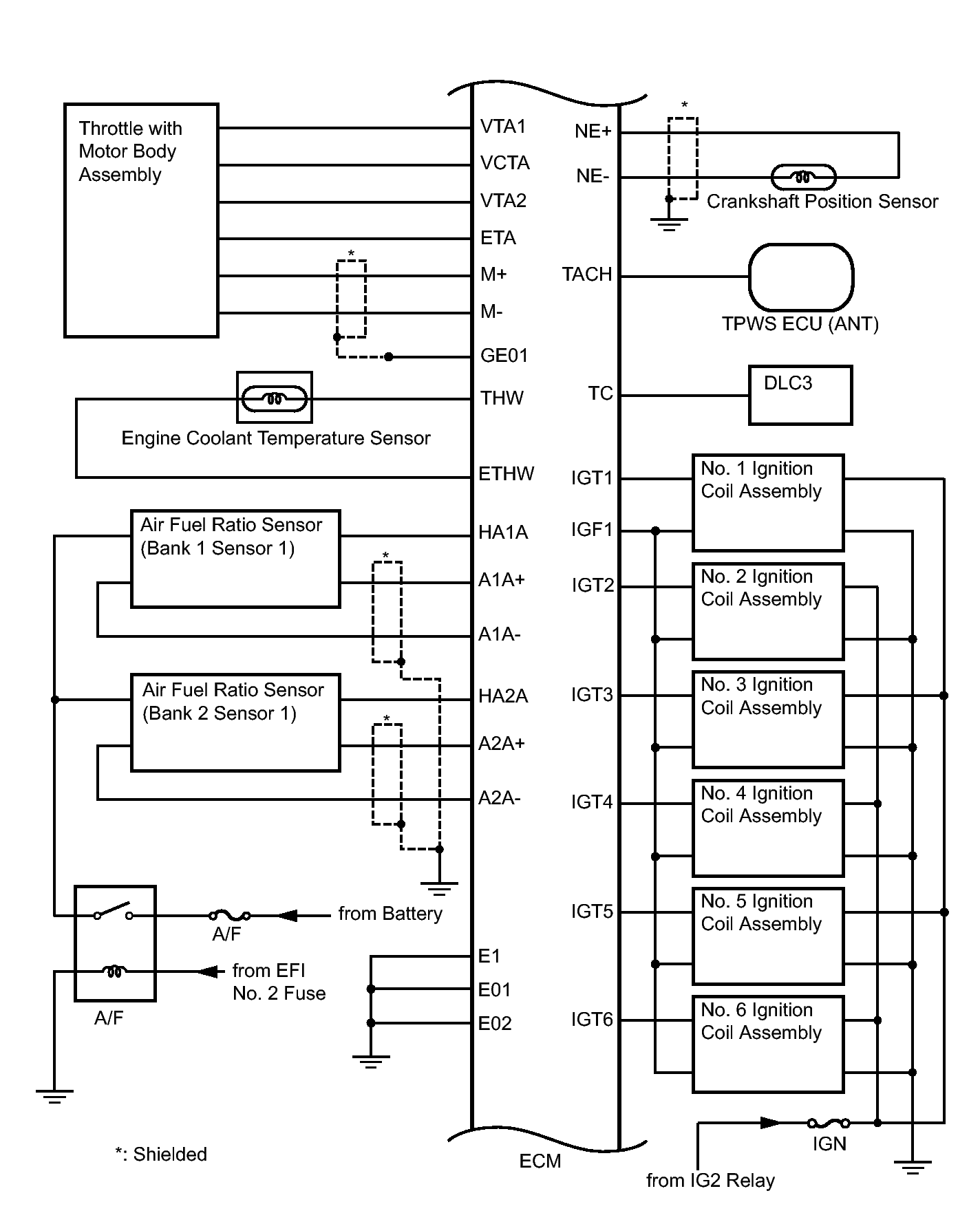
Fig 1: SFI System Diagram (1 Of 5)
GTY287134Courtesy of © TOYOTA, LICENSE AGREEMENT TMS1002
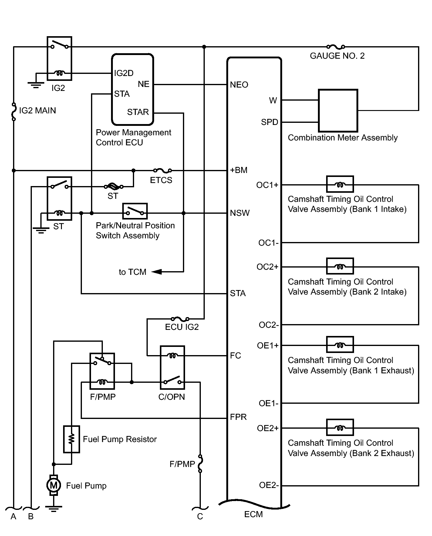
Fig 2: SFI System Diagram (2 Of 5)
GTY413525Courtesy of © TOYOTA, LICENSE AGREEMENT TMS1002
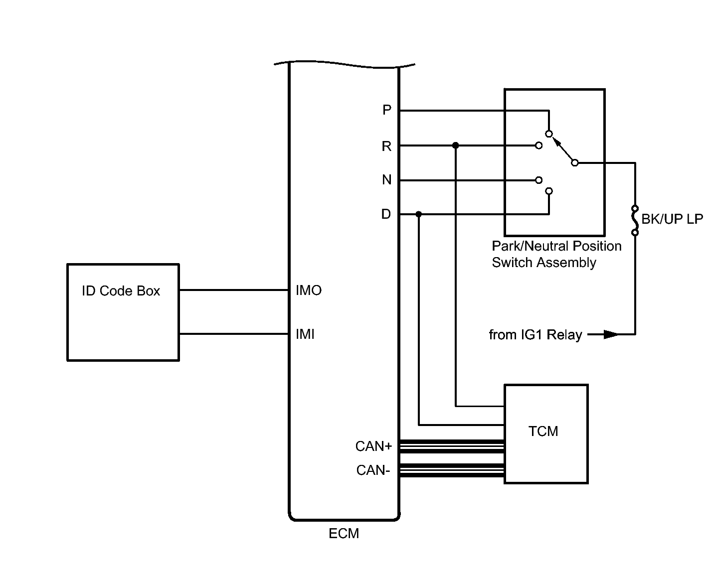
Fig 3: SFI System Diagram (3 Of 5)
GTY394384Courtesy of © TOYOTA, LICENSE AGREEMENT TMS1002
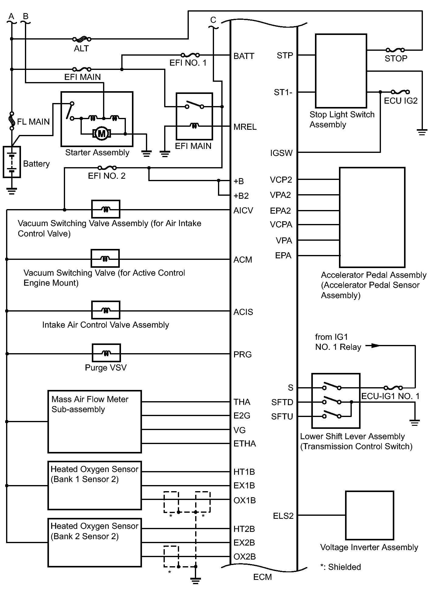
Fig 4: SFI System Diagram (4 Of 5)
GTY398180Courtesy of © TOYOTA, LICENSE AGREEMENT TMS1002
Fig 5: SFI System Diagram (5 Of 5)
GTY393658Courtesy of © TOYOTA, LICENSE AGREEMENT TMS1002