LEMON Manuals: Even more car manuals for everyone
Home >> Lexus >> 2015 >> NX 300h AWD >> Repair and Diagnosis >> Electrical >> Starter >> Smart Access System With Push-Button Start (For Start Function) - Diagnostics - Introduction >> SMART ACCESS SYSTEM WITH PUSH-BUTTON START (for Start Function) >> System Diagram [10/2019 - ] >> System Diagram [10/2019 - ]

System Diagram [10/2019 - ]

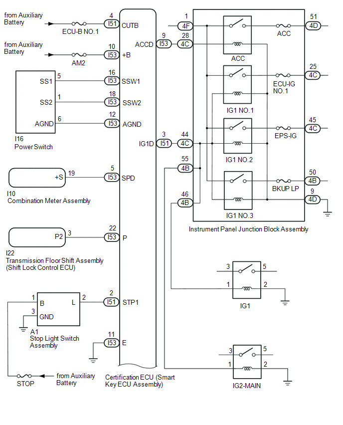
Fig 1: Smart Access System With Push-Button Start (For Start Function) Wiring Diagram (1 Of 2)
GTY497187Courtesy of © TOYOTA, LICENSE AGREEMENT TMS1002
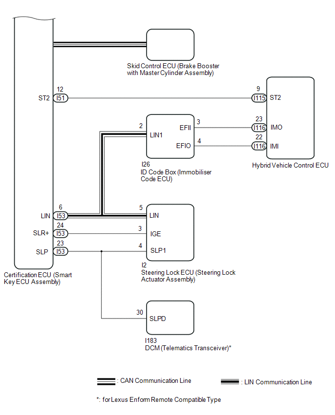
Fig 2: Smart Access System With Push-Button Start (For Start Function) Wiring Diagram (1 Of 2)
GTY954552Courtesy of © TOYOTA, LICENSE AGREEMENT TMS1002
Component Outline
Power switch
  • Transponder key amplifier
  • Turns on the power and starts the hybrid control system.
  • Contains a built-in transponder key amplifier to start the hybrid control system when the electrical key transmitter sub-assembly does not operate properly due to a depleted transmitter battery or wave interference.
Certification ECU (smart key ECU assembly)
  • Changes the power source mode in 4 stages (off, on (ACC), on (IG), on (READY)) in accordance with the shift state and stop light switch.
  • Controls the smart access system with push-button start function in accordance with signals received from switches and ECUs.
  • Permits the steering lock ECU (steering lock actuator assembly) to supply power to activate the motor. The certification ECU (smart key ECU assembly) permit starting of the hybrid control system after receiving an unlock signal from the steering lock actuator assembly (steering lock ECU).
  • Performs key verification.
  • Controls the electrical key antenna (indoor).
  • Outputs steering lock ECU (steering lock actuator assembly) lock/unlock command signals.
  • Outputs immobiliser set/unset commands.
  • Forms the vehicle interior detection area.
ID code box (immobiliser code ECU)
  • Receives command signals from the certification ECU and outputs immobiliser set and unset command signals to the hybrid vehicle control ECU.
  • Records codes for smart verification.
Steering lock ECU (steering lock actuator assembly)
  • Receives command signals from the certification ECU (smart key ECU assembly) and activates the steering lock ECU (steering lock actuator assembly).
  • Records codes for smart verification.
Combination meter assembly
  • Displays various warnings (messages on the multi-information display) according to the command signals from the certification ECU (smart key ECU assembly).
  • Outputs a vehicle speed signal to the ECUs.
IG, ACC relay Turns on/off according to the certification ECU (smart key ECU assembly) and provides power to each system.
Stop light switch assembly Detects that the brake pedal has been depressed (switch is on) and outputs a signal to the certification ECU (smart key ECU assembly).
  • No. 1 indoor electrical key antenna assembly (front floor)
  • No. 2 indoor electrical key antenna assembly (rear floor)
  • No. 3 indoor electrical key antenna assembly (inside luggage)
Sends the request code from the certification ECU (smart key ECU assembly) and forms the vehicle interior detection area.
Door control receiver Receives the smart access system with push-button start code/wireless code sent from the electrical key transmitter sub-assembly and sends it to the certification ECU (smart key ECU assembly).
Electrical key transmitter sub-assembly Sends the ID code upon receiving a request signal.