LEMON Manuals: Even more car manuals for everyone
Home >> Lexus >> 2015 >> IS 250C Base >> Repair and Diagnosis (Single Page) >> Engine Performance >> System >> Engine Control System (Diagnostics - Introduction) >> SFI System >> System Diagram [08/2013 - ] >> System Diagram [08/2013 - ]

System Diagram [08/2013 - ]

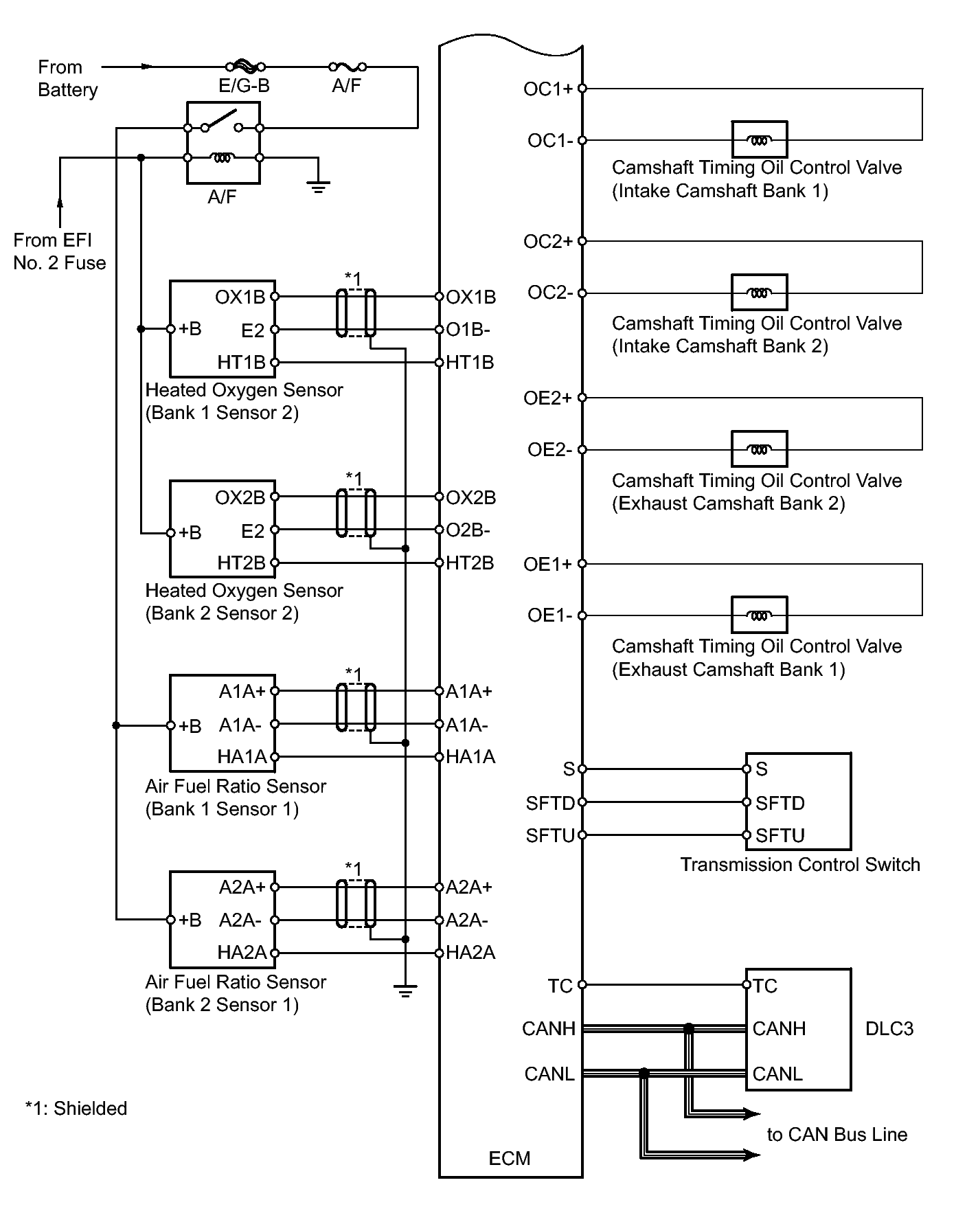
Fig 1: SFI System Diagram (1 Of 5)
GTY403434Courtesy of © TOYOTA, LICENSE AGREEMENT TMS1002
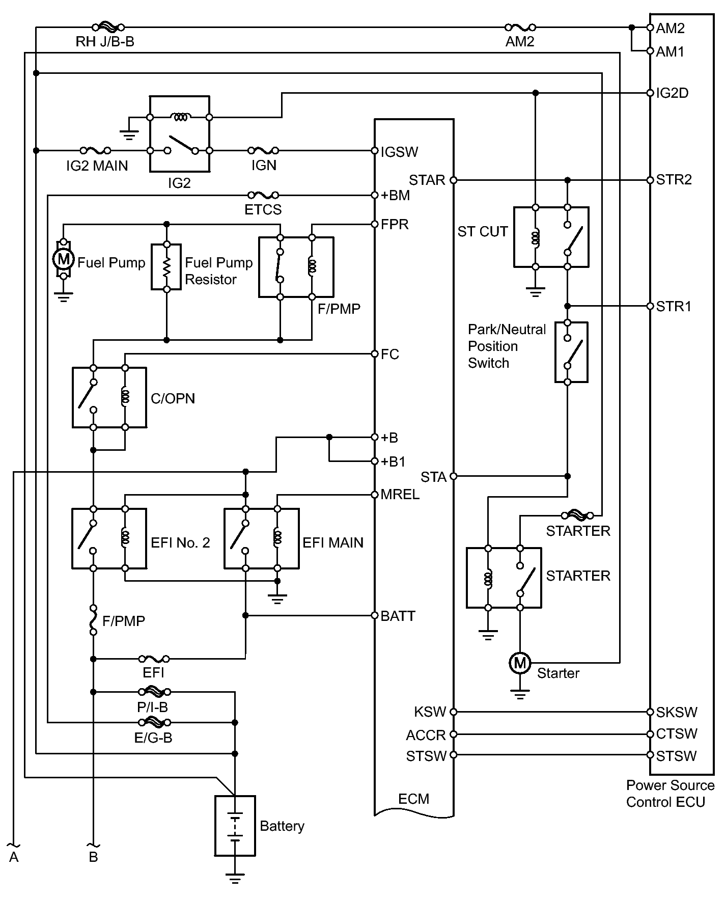
Fig 2: SFI System Diagram (2 Of 5)
GTY465714Courtesy of © TOYOTA, LICENSE AGREEMENT TMS1002
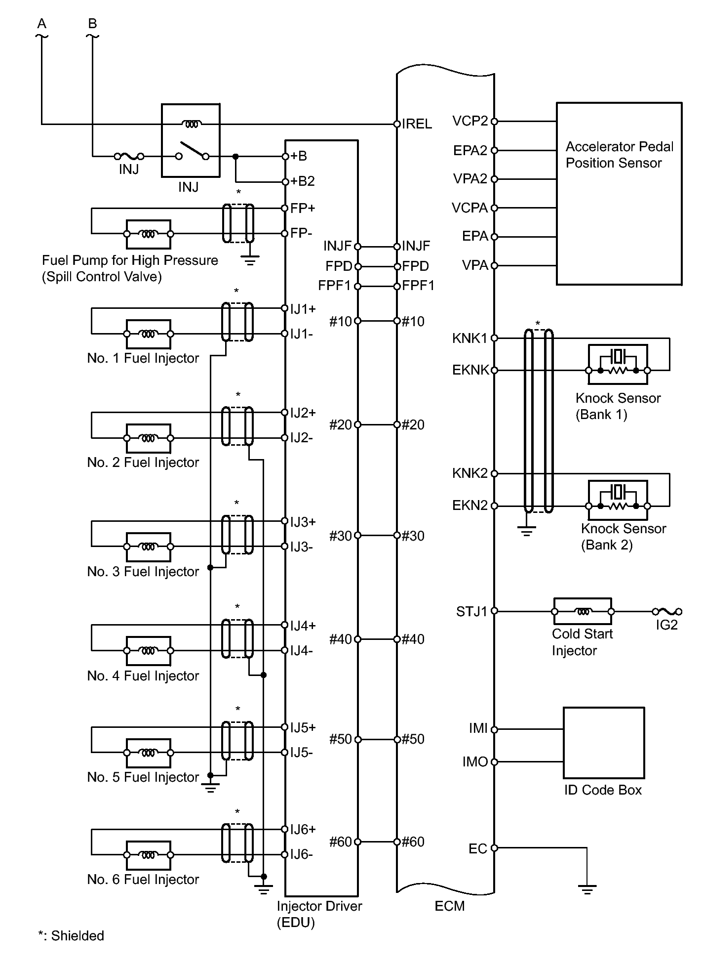
Fig 3: SFI System Diagram (3 Of 5)
GTY393987Courtesy of © TOYOTA, LICENSE AGREEMENT TMS1002
Fig 4: SFI System Diagram (4 Of 5)
GTY394018Courtesy of © TOYOTA, LICENSE AGREEMENT TMS1002
Fig 5: SFI System Diagram (5 Of 5)
GTY403578Courtesy of © TOYOTA, LICENSE AGREEMENT TMS1002