LEMON Manuals: Even more car manuals for everyone
Home >> Lexus >> 2015 >> IS 250 Base, AWD >> Repair and Diagnosis (Single Page) >> Engine Performance >> System >> Engine Control System (4GR-FSE) - Diagnostic Codes (5 Of 5) & Circuit Tests >> SFI System >> VC Output Circuit [04/2013 - 08/2015] >> Wiring Diagram

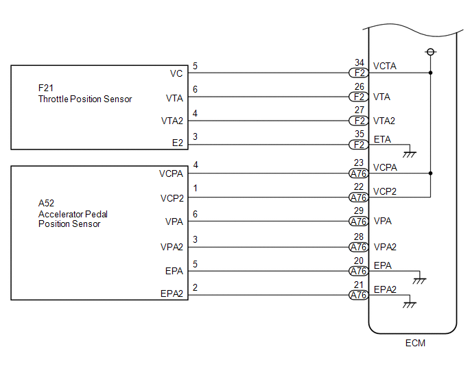
VC Output Circuit [04/2013 - 08/2015]: Wiring Diagram

GTY466127Courtesy of © TOYOTA, LICENSE AGREEMENT TMS1002
GTY456450Courtesy of © TOYOTA, LICENSE AGREEMENT TMS1002