LEMON Manuals: Even more car manuals for everyone
Home >> Lexus >> 2015 >> IS 250 Base, AWD >> Repair and Diagnosis (Single Page) >> Engine Performance >> System >> Engine Control System (4GR-FSE) - Diagnostic Codes (4 Of 5) >> SFI System >> DTC P2118: Throttle Actuator Control Motor Current Range / Performance [04/2013 - 08/2015] >> Description

DTC P2118: Throttle Actuator Control Motor Current Range / Performance [04/2013 - 08/2015]: Description

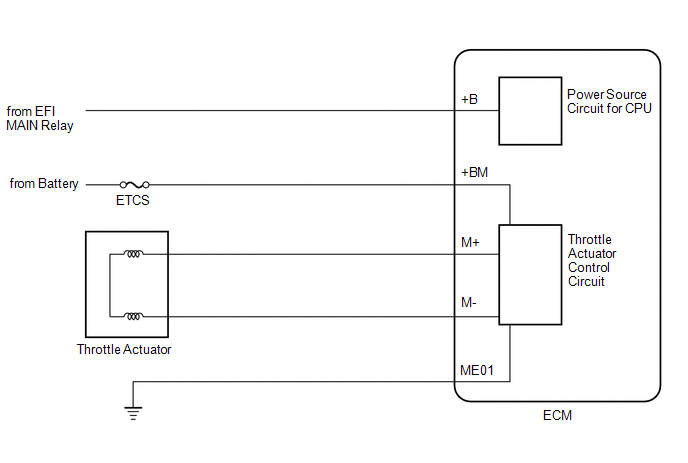
The electronic throttle control system has a dedicated power supply circuit. The voltage (+BM) is monitored and when it is low (less than 4 V), the ECM determines that there is a malfunction in the electronic throttle control system and cuts off the current to the throttle actuator.

When the voltage becomes unstable, the electronic throttle control system itself becomes unstable. For this reason, when the voltage is low, the current to the throttle actuator is cut. If repairs are made and the system returns to normal, turn the engine switch off. The ECM then allows the current to flow to the throttle actuator so that it can be restarted.

HINT: 

The electronic throttle control system does not use a throttle cable.

Fig 1: Throttle Actuator Control Motor Circuit Diagram
GTY466312Courtesy of © TOYOTA, LICENSE AGREEMENT TMS1002
DTC No. Detection Item DTC Detection Condition Trouble Area MIL Memory
P2118 Throttle Actuator Control Motor Current Range / Performance An open in the electronic throttle control system power source (+BM) circuit (1 trip detection logic).
  • Open in electronic throttle control system power source circuit
  • Battery
  • Battery terminals
  • ETCS fuse
  • ECM
Comes on DTC stored