LEMON Manuals: Even more car manuals for everyone
Home >> Lexus >> 2015 >> IS 250 Base, AWD >> Repair and Diagnosis (Single Page) >> Accessories & Equipment >> Headlights >> Automatic Headlight Beam Level Control System - Diagnostics - Introduction >> Automatic Headlight Beam Level Control System >> System Diagram [10/2016 - 09/2018] >> System Diagram [10/2016 - 09/2018]

System Diagram [10/2016 - 09/2018]

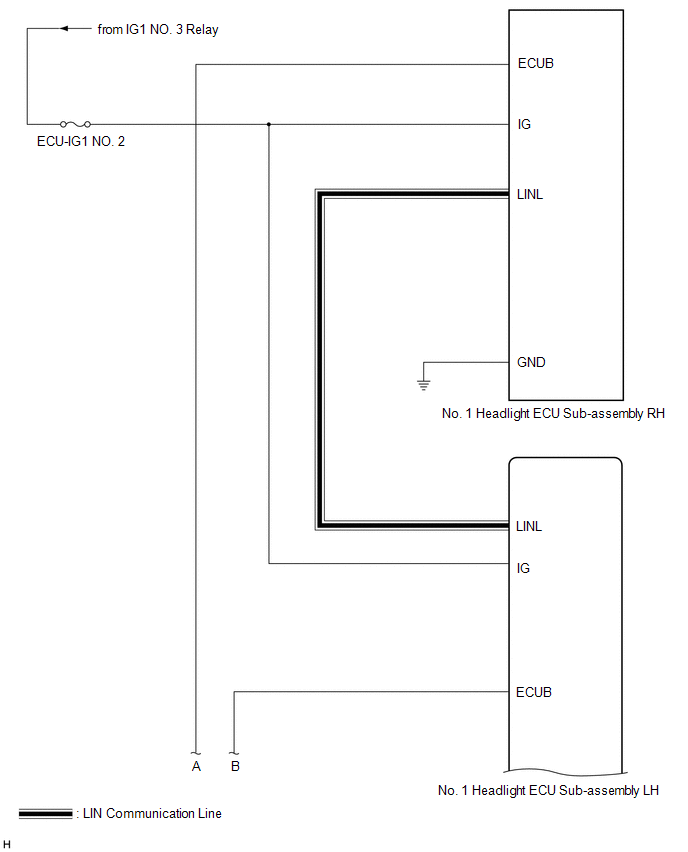
Fig 1: Automatic Headlight Beam Level Control System Diagram (1 Of 2)
GTY652641Courtesy of © TOYOTA, LICENSE AGREEMENT TMS1002
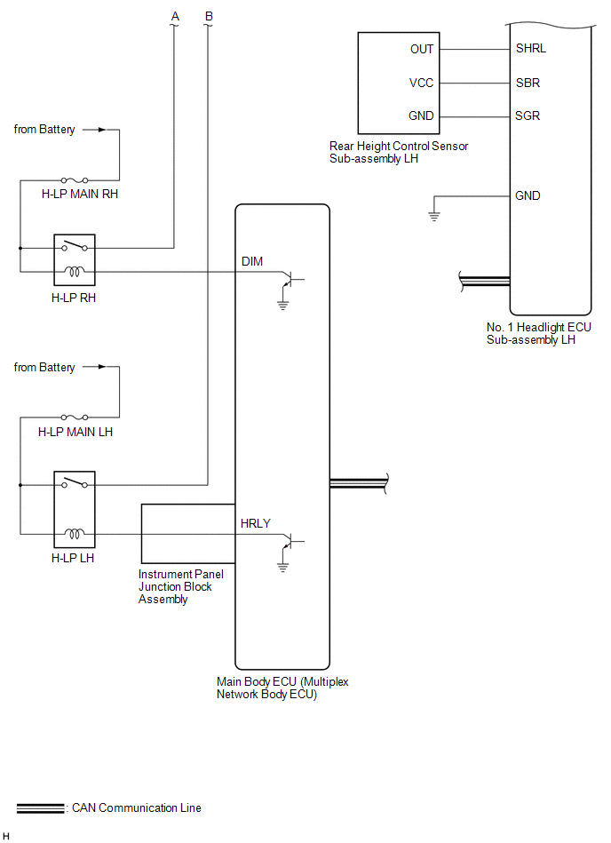
Fig 2: Automatic Headlight Beam Level Control System Diagram (2 Of 2)
GTY674726Courtesy of © TOYOTA, LICENSE AGREEMENT TMS1002
  1. HEADLIGHT ASSEMBLY CIRCUIT 
    Fig 3: Headlight Assembly Circuit Wiring Diagram
    GTY683750Courtesy of © TOYOTA, LICENSE AGREEMENT TMS1002