LEMON Manuals: Even more car manuals for everyone
Home >> Lexus >> 2015 >> ES 350 >> Repair and Diagnosis >> Engine Performance >> System >> Engine Control System - Diagnostic Codes & Circuit Tests >> SFI System >> Circuit Tests >> ECM Power Source Circuit [08/2014 - ] >> Wiring Diagram

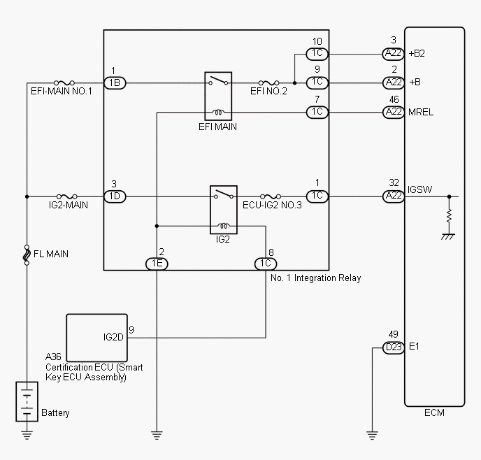
ECM Power Source Circuit [08/2014 - ]: Wiring Diagram

Fig 1: Identifying ECM Power Source Circuit
GTY417237Courtesy of © TOYOTA, LICENSE AGREEMENT TMS1002