LEMON Manuals: Even more car manuals for everyone
Home >> Lexus >> 2015 >> ES 350 >> Repair and Diagnosis >> Engine Performance >> System >> Engine Control System - Diagnostic Codes & Circuit Tests >> SFI System >> Circuit Tests >> ACIS Control Circuit [08/2014 - ] >> Wiring Diagram

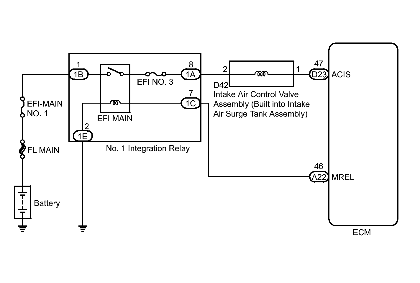
ACIS Control Circuit [08/2014 - ]: Wiring Diagram

Fig 1: Identifying Intake Air Control Valve Wiring Diagram
GTY399518Courtesy of © TOYOTA, LICENSE AGREEMENT TMS1002