LEMON Manuals: Even more car manuals for everyone
Home >> Lexus >> 2015 >> ES 350 >> Repair and Diagnosis (Single Page) >> Electrical >> Starter >> Smart Access System (For Start Function) - Diagnostic Codes & Symptom Tests >> SMART ACCESS SYSTEM WITH PUSH-BUTTON START (for Start Function) >> Symptom Tests >> Power Source Mode does not Change to ON (IG) [08/2014 - ] >> Wiring Diagram

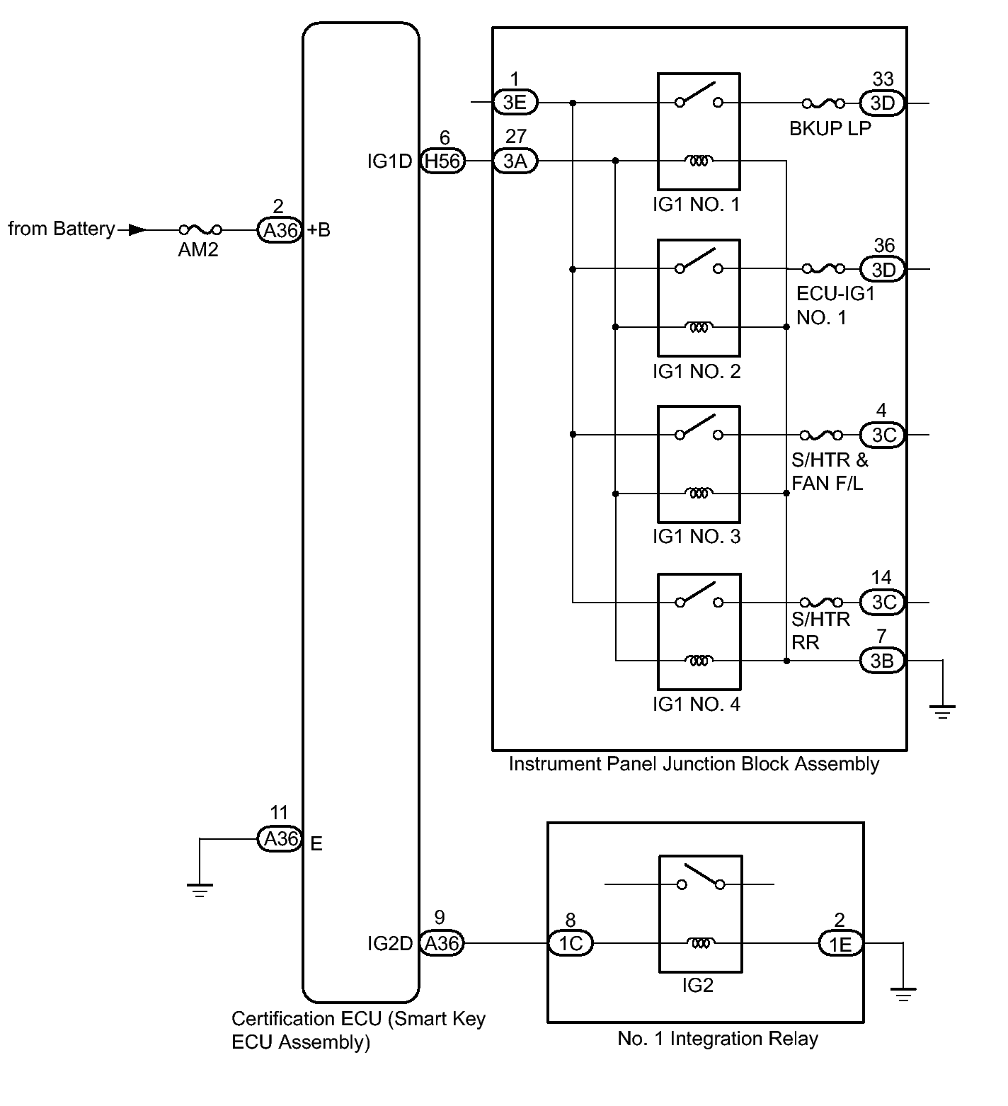
Power Source Mode does not Change to ON (IG) [08/2014 - ]: Wiring Diagram

Fig 1: Power Source ON (IG) Wiring Diagram
GTY468328Courtesy of © TOYOTA, LICENSE AGREEMENT TMS1002